TI TPA3223 D类放大器具有单端或差分模拟输入接口,最高支持2VRMS,具有四种可选增益:20dB、23.5dB、32dB和36dB。TPA3223还实现了大于90%的效率、低空闲功率和超低待机功耗 (< 0.1W)。这是特性通过采用60mΩ MOSFET、经优化的栅极驱动方案和低功耗运行模式实现的。
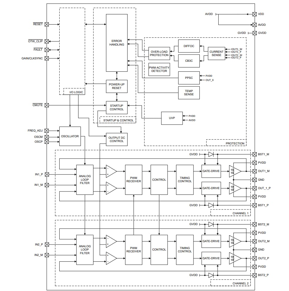
TPA3223集成了重要的保护功能,包括欠压、过压、逐周期电流限制、短路、削波检测、过热警告和关断以及直流扬声器保护。
特性
- 宽电源电压范围:10V至42V
- 立体声 (2 x BTL) 和单声道 (1 x PBTL) 配置
- 10% THD+N下的输出功率
- 在4Ω负载下的BTL配置中,立体声功率为200W
- 在3Ω负载下的PBTL配置中,单声道功率为300W
- 在2Ω负载下的PBTL配置中,单声道功率为425W
- THD+N为1%时的输出功率
- 在4Ω负载下的BTL配置中,立体声功率为170W
- 在2Ω负载下的PBTL配置中,单声道功率为325W
- 闭环反馈设计
- 在4Ω负载、1W功率下具有0.02% THD+N
- 60dB PSRR(BTL,无输入信号)
- 输出噪声(A 加权)< 100µV
- SNR(A 加权)> 110dB
- 低功耗工作模式
- 待机模式:静音和关断
- 单通道BTL操作
- 多种输入选项,可简化前置放大器设计
- 差分或单端模拟输入
- 可选增益:20dB、23.5dB、32dB、36dB
- 集成保护功能包括欠压、过压、过流、逐周期电流限制、短路、限幅检测、过热警告和关断以及直流扬声器保护
- 轻松同步多个器件
- 90%高效D类音效工作 (4Ω)
应用
- BLUETOOTH®和Wi-Fi™扬声器
- 条形音箱
- 低音炮
- 专业和公共广播 (PA) 扬声器
简化示意图
框图
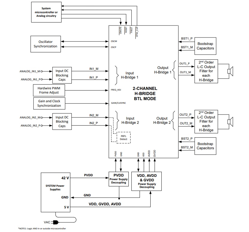
系统框图
发布日期: 2022-12-23
| 更新日期: 2023-01-26

