电池短路保护可将内部系统电路从VBUS 、DP_ IN和DM_ IN引脚的过压情况中隔离开。在这些引脚上,Texas Instruments TPD3S713x-Q1可处理高达18V过压(热插拔和直流事件),并关闭至上游收发器的内部开关,避免出现有害的电压和电流尖峰。VBUS 引脚还提供50mA至600mA可调限流负载开关,当端口仅需数十毫安时,可提供灵活性并节省系统功耗预算。
TPD3S713-Q1器件具有电流检测输出,可控制上游电源,从而在长USB电缆后连接的远程USB端口上保持5V电压。
特性
- 符合面向汽车应用的 AEC-Q100 标准:
- 器件温度1级(-40°C至125°C环境工作温度范围)
- 器件人体模型 (HBM) 静电放电 (ESD) 分类等级H2
- 器件充电器件模型(CDM)ESD分级等级C5
- VBUS 引脚上的电池短路(高达18V)和接地短路保护
- DM _ IN、DP_ IN引脚上的电池短路(高达18V)和VBUS 短路保护
- DP_IN和DM_IN上的保护等级符合IEC 61000-4-2标准
- ±8kV接触放电和±15kV空气放电
- 高速数据开关 (1230MHz BW)
- 输入工作电压范围:4.5V至5.5V
- 可调限流:50mA至600mA(200mA时为±13.5%)
- 集成73mΩ(典型值)高侧MOSFET
- 最大连续输出电流:500mA
- VBUS 电缆补偿
- 20引脚QFN(3mm × 4mm)封装
应用
- 汽车USB接口
- 音响主机
- 远程信息处理
- 导航模块
- 汽车USB充电端口
- 媒体接口
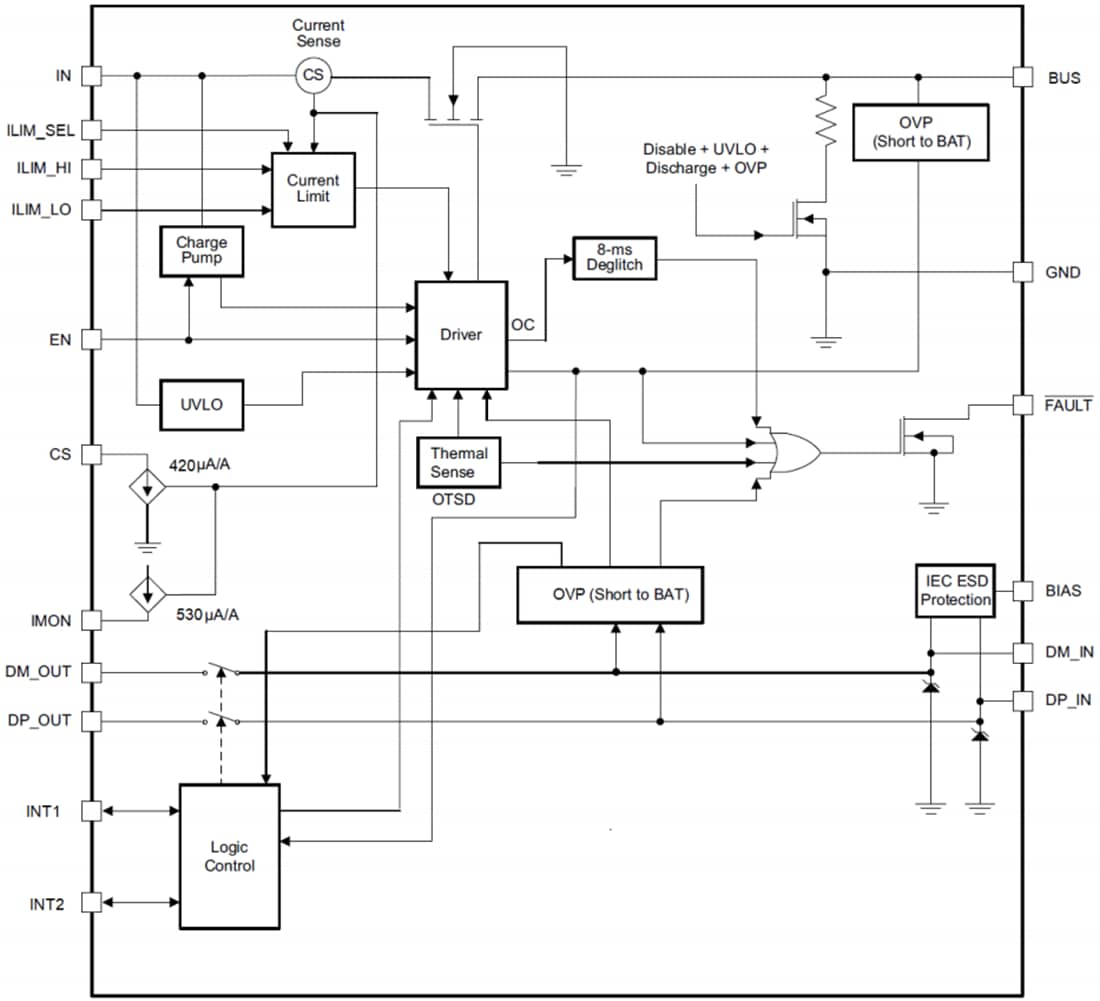
功能框图
发布日期: 2020-08-12
| 更新日期: 2025-03-05

