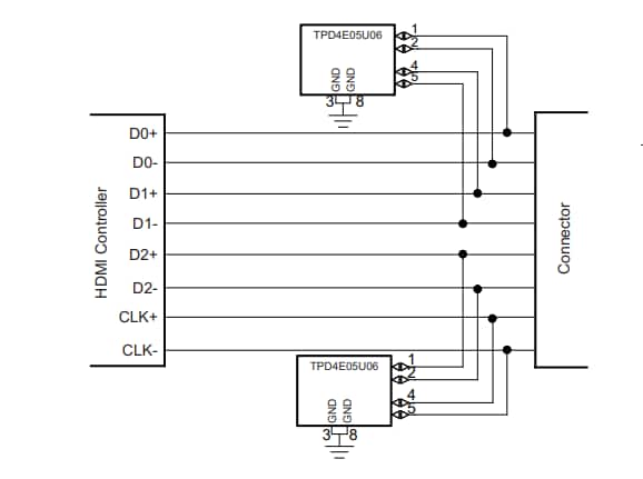
TI TPDxE05U06/TPDxE05U06-Q1抑制器具有超低负载电容,非常适合用于保护高达6Gbps的高速信号应用。该器件适合用于各种应用,包括采用HDMI 1.4b、HDMI 2.0、USB 3.0、MHL、LVDS、DisplayPort、PCI-Express®、eSata和V-by-One HS协议的高速信号线路。
特性
- 符合AEC-Q101标准 (TPDxE05U06-Q1)
- 器件HBM分类等级H3B
- 器件CDM分类等级C5
- 器件温度范围:–40°C至+125°C
- IEC 61000-4-2四级ESD保护
- ±12kV接触放电
- ±15kV气隙放电
- IEC 61000-4-4 EFT保护
- 80A (5/50ns)
- IEC 61000-4-5浪涌保护
- 2.5 A (8/20µs)
- I/O电容:0.42pF至0.5pF(典型值)
- 直流击穿电压:6.4V(最小值)
- 超低漏电流:10nA(最大值)
- 低ESD钳位电压:14V(5A TLP时)
- 简易直通路由封装
应用
- 终端设备
- 音响主机
- 后座娱乐系统
- 远程信息处理系统
- USB集线器
- 导航模块
- 媒体接口
- 接口
- USB 2.0
- USB 3.0
- HDMI 1.4/2.0
- LVDS
- DisplayPort
- SIM卡
功能框图
简化示意图
发布日期: 2022-04-10
| 更新日期: 2024-08-10

