特性
- 串行外设接口
- 最快读/写频率:35MHz
- 3.3V数字I/O
- 执行器和电机驱动器
- PWM控制器,带H桥输出
- 对焦/跟踪/倾斜执行器驱动,带数模转换器控制
- 滑动电机驱动器,采用电流模式,10位数模转换器控制
- 负载驱动器,带12位数模转换器控制
- 步进电机驱动器,采用8位PWM控制
- 准直器透镜端面位置检测器,滑动,不带位置传感器
- 主轴电机驱动器
- 无传感器BEMF位置反馈
- 12位主轴数模转换器
- 独立式感应位置检测和启动
- 通过自动控制制动器实现快速停止:主动制动器和短制动器
- 最大连续电流为0.7A,不包括散热问题
- LS模式:25%速度
- 片上温度计(15°C至172.5°C)
- 开关
- 可通过软件控制的两种开关电路
- LED:LED驱动器用开关,0.1A OCP
- CSW:低RDS(ON) 电流开关,0.1A OCP
- 直流-直流转换器
- V1Px:引脚可选转换电压1.0V/1.2V/1.5V;0.9A输出能力,具有1.85A过流保护
- V3P3:固定3.3V直流-直流转换器; 0.5A输出能力,具有1.15A过流保护
- 2.5MHz开关频率
- 采用不连续调节模式提高小电流情况下的效率
- 保护
- LED/CSW、开关、直流-直流转换器、SPM和执行器上的单独热保护电路
- 两个警报级别:热保护中预检测和检测
- ACTTEMP:监控从过去集成的数模转换器设置计算出的执行器温度
- 欠压锁定 (UVLO) 和过压保护 (OVP)
应用
- Blu-ray™播放器
- DVD播放机
- CD播放机
- 光盘驱动器
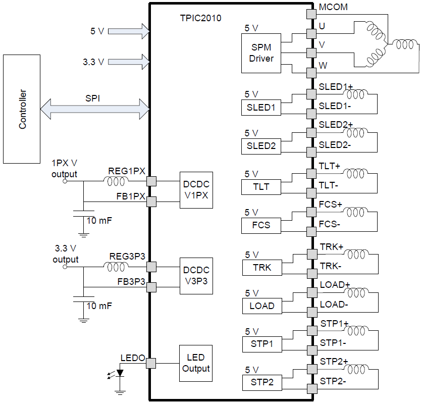
简化框图
发布日期: 2016-05-09
| 更新日期: 2022-03-11

