Texas Instruments TPLD1201-Q1车规级可编程逻辑器件
Texas Instruments TPLD1201-Q1车规级可编程逻辑器件是TI可编程逻辑器件 (TPLD) 系列器件的一部分。该可编程逻辑器件 (PLD) 具有多功能可编程逻辑IC,包括组合逻辑、时序逻辑和模拟模块。TPLD1201-Q1器件的工作电源电压范围为1.71V至5.5V,工作温度范围为-40°摄氏度至125°摄氏度。 该器件提供了一个完全集成的低功耗解决方案,用于实现常见的系统功能,包括定时延迟、电压监控、系统复位、电源排序器和I/O扩展器。开发工具包括InterConnect Studio、评估模块和TPLD编程板。TPLD1201-Q1器件符合AEC-Q100汽车应用标准。典型应用包括工厂自动化和控制、通信设备、零售自动化和支付、测试和测量、专业音频、视频和标牌、个人电子设备和汽车。特性
- 工作特性:
- 扩展温度范围:-40 °C至125 °C
- 宽电源电压范围:1.71 V至5.5 V
- 符合汽车应用标准
- 可配置宏单元:
- 2位、3位和4位查询表
- 带和不带复位/置位选项的D型触发器或锁存器
- 8位管道延迟
- 计数器和延迟生成器
- 可编程去抖动滤波器或边缘探测器
- 分立模拟比较器
- 电压基准
- 振荡器
- 灵活的数字I/O:
- 所有数字信号均可导向任何GPIO
- 数字输入模式:带和不带施密特触发器的数字输入,以及低电压数字输入
- 数字输出模式:推挽、开漏NMOS和三态
- 开发工具:
- InterConnect Studio
- 驱动评估模块
- TPLD编程板
应用
- 工厂自动化和控制
- 通信设备
- 零售自动化和支付
- 测试与测量
- 专业音频、视频和标牌
- 个人电子设备
- 汽车
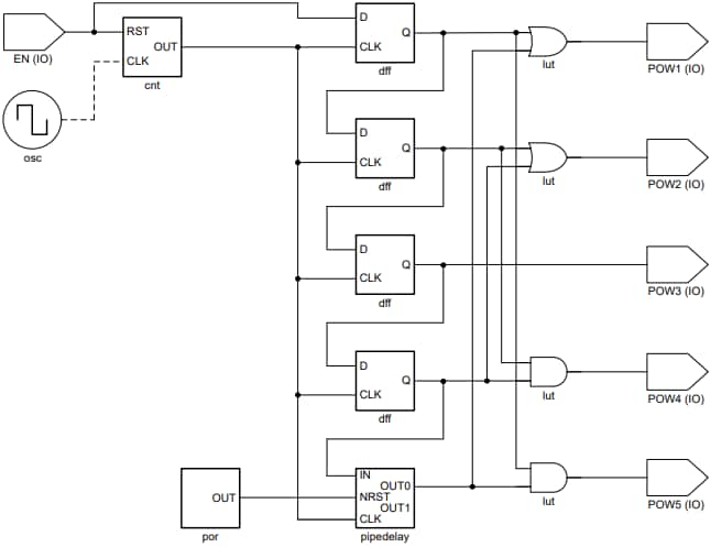
功能框图
典型应用图
典型特性 (TA = 25 °C)
发布日期: 2026-01-13
| 更新日期: 2026-01-29
