Texas Instruments TPLD801和TPLD801-Q1可编程逻辑器件
Texas Instruments TPLD801和TPLD801-Q1可编程逻辑器件 (PLD) 具有六个通用输入或输出 (GPIO)、组合逻辑、时序逻辑和模拟模块。此完全集成的低功耗解决方案可以实现电压监控器、电源排序器、定时延迟、系统复位、I/O 扩展器等常见系统功能。这些TPLD801 器件提供可配置的I/O结构,扩展了混合信号环境下的兼容性,最大限度地减少了所需的分立器件数量。系统设计人员可以创建电路并配置I/O引脚、宏单元和互连,该系列产品还包括一个符合汽车应用标准的型号 (-Q1)。Texas Instruments TPLD801 PLD非常适合工厂自动化和控制、通信设备、个人电子设备以及专业音频、视频和标牌。特性
- 完全集成的低功耗解决方案,用于实现常见系统功能
- 符合汽车应用要求(仅限TPLD801-Q1)
- 宽电源电压范围:1.65 V至5.5 V
- 可配置宏单元:
- 2位、3位和4位查询表
- 带和不带复位/置位选项的D型触发器或锁存器
- 8位管道延迟
- 计数器和延迟发生器
- 可编程去抖动滤波器或边沿检测器
- 振荡器
- 灵活的数字I/O功能:
- 所有数字信号均可路由至任意GPIO
- 数字输入模式:带和不带施密特触发器的数字输入,低电压数字输入
- 数字输出模式:推挽、NMOS开漏和三态
- 开发工具:
- InterConnect Studio
- TPLD801评估模块
- TPLD编程板
- DRL封装(SOT-5X3、8引脚,尺寸为2.1mm×1.6mm)
- 扩展温度范围:-40 °C至125 °C
应用
- 工厂自动化和控制
- 通信设备
- 零售自动化和支付
- 测试与测量
- 专业音频、视频和标牌
- 个人电子设备
- 汽车(仅限TPLD801-Q1)
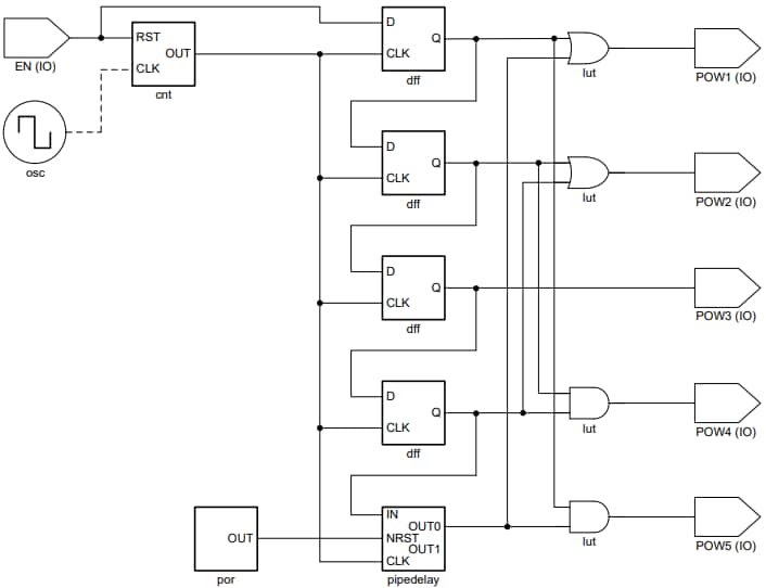
功能框图
简化应用
发布日期: 2025-02-11
| 更新日期: 2026-01-13
