TPS1200-Q1驱动器具有各种保护功能,如可调输入欠压闭锁 (UVLO)、过压保护 (OV) 和可调短路保护。此驱动器采用19引脚VSSOP封装 (5.1mm x 3mm)。TPS1200-Q1驱动器用于汽车12V BMS、DC-DC转换器和电动工具等应用。
特性
- 符合汽车应用类AEC-Q100汽车标准:
- 器件温度等级1:-40°C至125°C环境工作温度范围
- 输入电压范围:3.5V至40V(45V最大绝对值)
- 反向输入保护低至-40V
- 集成11V电荷泵
- 低静态电流,43µA工作电流
- 1.5 µA低关断电流(EN/UVLO = 低)
- 强大的栅极驱动器(2A拉电流和灌电流)
- 可调短路保护 (ISCP),使用外部Rsense或MOSFET VDS 检测,具有可调延迟 (TMR)
- 高侧或低侧电流检测配置 (CS_SEL)
- 短路故障、输入欠压和短路比较器诊断 (SCP_TEST) 过程中的故障指示 (FLT)
- 栅极驱动UVLO故障指示 (FLT_GD)
- 可调输入欠压闭锁 (UVLO) 和过压保护 (OV)
- 采用19引脚VSSOP封装 (5.1mm x 3mm)
应用
- 12 V汽车电池管理系统 (BMS)
- DC-DC转换器
- 电动工具
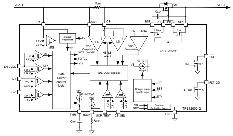
功能框图
为BST提供外部电源的应用电路
发布日期: 2025-01-15
| 更新日期: 2025-03-09

