Texas Instruments TPS1212-Q1汽车高侧开关控制器
Texas Instruments TPS1212-Q1汽车高侧开关控制器是具有保护和诊断功能的低IQ 智能高侧驱动器系列产品中的一员。这些控制器具有宽的工作电压范围,从3.5V到73V,绝对最大电压为74V,适用于12V、24V和48V汽车系统设计。TPS1212-Q1控制器包含两个集成栅极驱动器,分别为0.5A/2A(栅极)和100μA/0.39A (G)。这些控制器包括的精确电流检测 (±2%) 输出 (IMON),具有可调I2t的过电流和短路保护功能。TPS1212-Q1设备已通过AEC-Q100认证,适用于汽车应用。典型应用包括配电箱、车身控制模块、DC/DC转换器和电池管理系统。特性
- 符合AEC-Q100汽车1级温度标准
- 输入范围为3.5V至73V(绝对最大值为74V)
- 反向输入和输出保护功能,可达-65V
- 集成12V电荷泵
- 20µA低IQ(在低功耗模式下,LPM = 低)
- 1 µA低关断电流(EN/UVLO = 低)
- 双栅极驱动器:
- 栅极:0.5A源电流/2A灌电流
- G:100μA源电流/0.39A灌电流
- 精确的I2t过电流保护 (IOC),带有可调断路器定时器 (I2t)
- 精确快速(5μs)的短路保护
- 通过可调负载唤醒阈值或LPM触发器可实现从低功耗模式到活动模式的快速转换 (5µs),并带有WAKE指示
- 30mVVSNS 时,精确模拟双向电流监控输出(IMON、I_DIR)精度为±2%
- 基于NTC的过热感应 (TMP) 和监控输出 (ITMPO)
- 在发生短路故障、I2t、电荷泵UVLO和过热时,会产生故障指示 (FLT)
- TPS12120-Q1(启用I2t)和TPS12121-Q1(禁用I2t)
- 精确 (±2%) 且可调节的欠压锁定(UVLO)
应用
- 配电箱
- 车身控制模块
- 直流/直流转换器
- 电池管理系统
应用电路图
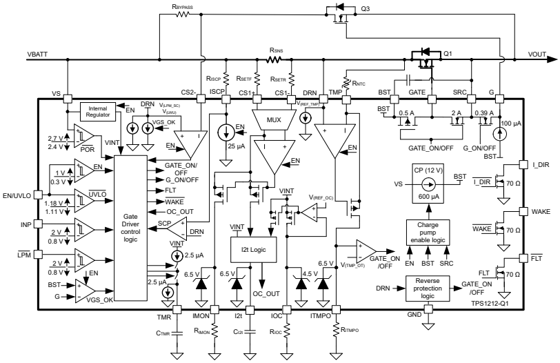
功能框图
发布日期: 2025-07-03
| 更新日期: 2025-07-28
