Texas Instruments TPS1214-Q1汽车级高侧开关控制器
Texas Instruments TPS1214-Q1汽车用高侧开关控制器是一系列低IQ 智能高侧驱动器,具有保护、低功耗模式、负载唤醒、I2t及诊断等功能。此系列控制器的输入范围为3.5V至73V,绝对最大额定值为74V,适用于12V、24V和48V汽车系统设计。TPS1214-Q1开关控制器采用双集成栅极驱动,具有0.5A拉电流和2A灌电流(GATE)以及100μA拉电流和0.39A灌电流(G)。此系列控制器包含±2%的精确电流检测输出(IMON),具有基于可调I2t的过流和短路保护。TPS1214-Q1器件符合AEC-Q100标准,适用于汽车应用。该控制器采用4mmx4mm 23引脚VQFN封装。其典型应用包括配电盒、车身控制模块、DC/DC转换器和电池管理系统。特性
- 温度等级1,满足AEC-Q100车规级要求
- 输入电压范围:3.5V至73V(绝对最大值为74V)
- 反向输入保护至-65 V
- 具有反向FET导通(-45V)功能的TPS12141-Q1
- 集成12V电荷泵
- 低IQ=20μA(低功耗模式)
- 低关断电流:1μA(EN/UVLO=低)
- 双栅极驱动:
- GATE:0.5A拉电流和2A灌电流
- G:100μA拉电流和0.39A灌电流
- 精确的I2t过流保护(IOC)和可调电路断路器计时器(I2t)
- 精确快速(5μs)的短路保护
- 精确的模拟电流监测输出(IMON):±2%(VSNS =30mV时)
- 基于NTC的过热检测(TMP)和监测输出(ITMPO)
- 短路故障期间故障指示(FLT)、I2t、电荷泵UVLO
- TPS12142-Q1(RPP关断)和TPS12143-Q1(RPP导通),禁用I2t
- 精确且可调的欠压锁定(UVLO)
- 短路比较器诊断(SCP_TEST)
应用
- 配电箱
- 车身控制模块
- 直流/直流转换器
- 电池管理系统
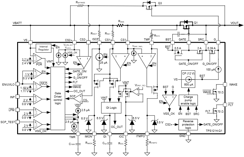
功能框图
应用电路图
可配置电流与时间特性曲线
发布日期: 2025-01-23
| 更新日期: 2025-04-14
