使能引脚提供外部控制,用于启用和禁用内部FET。关断引脚可用于将器件置于低功耗关断模式。为了实现系统状态监视和下游负载控制,此器件提供故障和精密电流监控输出。MODE引脚可用于在两种限流故障响应(闭锁和自动重试)之间灵活地对器件进行配置。
Texas Instruments TPS16530采用20引脚HTSSOP和24引脚VQFN封装,指定工作温度范围为–40°C至+125°C。
特性
- 工作电压:4.5V至58V,最大绝对值:67V
- 具有31mΩ RON的集成式58V热插拔FET
- 0.6A至4.5A可调节电流限制 (±7%)
- IPC9592B间隙,用于56V运行(20引脚HTSSOP)
- 2个脉冲电流支持,用于负载瞬态
- 低静态电流,关断时为21µA
- 可调UVLO切断,具有±2%精度
- 可调节输出压摆率控制,实现涌入电流限制
- 热调节加电支持大型及未知的电容负载充电
- 电源良好输出 (PGOOD)
- 可选过流故障响应选项(自动重试和闭锁 (MODE))
- 模拟电流监视器 (IMON) 输出 (±6%)
- 有易于使用的20引脚HTSSOP和24引脚VQFN封装可供选择
应用
- 电信无线电中的功率放大器保护
- 医疗设备
- 火灾报警控制板
- 工业打印机
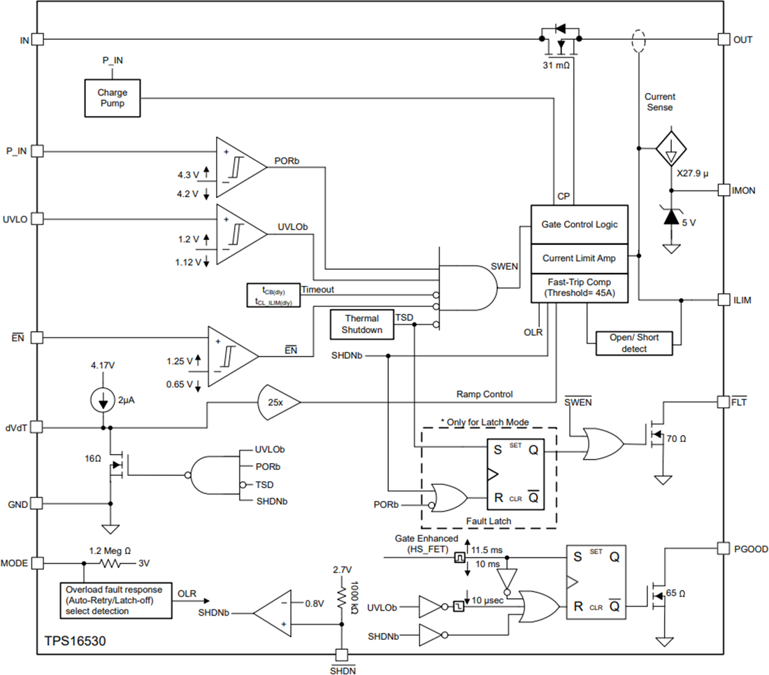
功能框图
发布日期: 2021-09-01
| 更新日期: 2022-03-11

