TI TPS1HB35-Q1高侧开关通过可靠的限流功能防止故障,限流范围可在2A至22A之间调节,具体取决于器件版本。高电流限值范围可用于需要大瞬态电流的负载,而低电流限值范围为不需要高峰值电流的负载提供更好的保护。TPS1HB35-Q1能够可靠地驱动各种负载曲线。
TPS1HB35-Q1提供高精度模拟电流感应,可提高负载诊断能力。通过向系统MCU报告负载电流和器件温度,这些高侧开关实现预测性维护和负载诊断,从而延长了系统的使用寿命。
TPS1HB35-Q1采用HTSSOP封装,可减少PCB占位面积。
特性
- 符合汽车应用类AEC-Q100标准
- 温度等级1:–40°C至125°C
- 器件人体模型 (HBM) 静电放电 (ESD) 分类等级2
- 器件充电器件模型 (CDM) ESD分类等级C4B
- 承受40V负载突降
- 支持功能安全 - 可提供辅助功能安全设计的文档
- 单通道智能高侧开关,35mΩ RON (TJ = 25°C)
- 通过可调限流功能(限流设定点从2A到22A)提高系统级可靠性
- 可配置模拟感应输出以实现准确测量
- 负载电流
- 器件温度
- 强大的集成输出保护
- 集成式热保护
- 接地短路和电池短路保护
- 防止电池反向事件,包括反向电压FET自动开启
- 若出现电池和接地损失,则自动关闭
- 集成输出钳,消磁电感负载
- 可配置故障处理
- 通过SNS引脚提供故障指示(负载开路和电池短路的检测)。
应用
- 汽车显示模块
- ADAS模块
- 座椅舒适模块
- 变速器控制单元
- 暖通空调控制模块
- 车身控制模块
- 白炽灯和LED照明
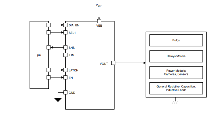
简化示意图
发布日期: 2020-12-29
| 更新日期: 2025-03-10

