特性
- 集成式单通道负载开关
- 输入电压范围: 0.6V至VBIAS
- VBIAS电压范围:2.5V至5.7V
- 导通电阻 (RON)
- RON = 16mΩ(典型值)(当VIN = 0.6V至5.7V, VBIAS = 5.7V时)
- 最大连续开关电流:6A
- 低静态电流
- 37µA(典型值)(当VIN = VBIAS = 5V时)
- 低控制输入阈值允许使用1.2、1.8、2.5和3.3V逻辑电压
- 可配置上升时间
- 热关断
- 快速输出放电(QOD)(可选)
- SON 8引脚封装,带散热焊盘
- 根据JESD 22标准测试的ESD性能
- 2000V HBM和1000V CDM
应用
- Ultrabook™
- 笔记本和上网本
- 平板电脑
- 消费电子产品
- 机顶盒和住宅网关
- 电信系统
- 固态硬盘(SSD)
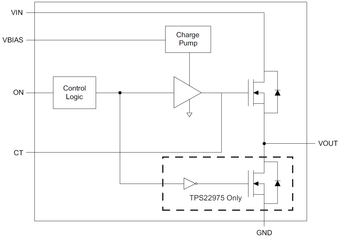
功能框图
发布日期: 2017-03-02
| 更新日期: 2022-04-05

