Texas Instruments TPS22999导通电阻负载开关
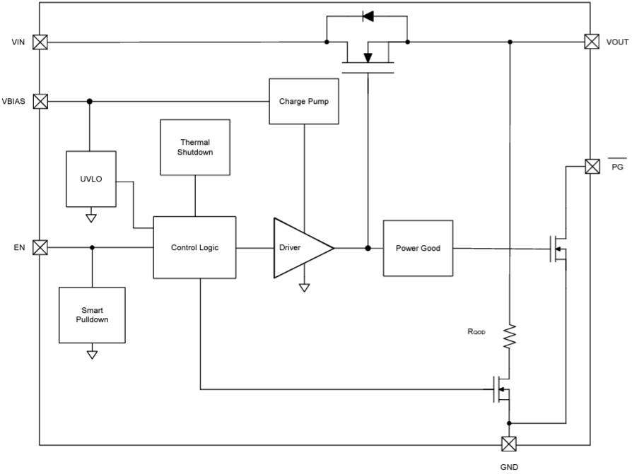
Texas Instruments TPS22999导通电阻负载开关是一款单通道负载开关,旨在实现快速导通时间和较低的浪涌电流。该负载开关具有N沟道MOSFET,可在0.1V至VBIAS -1V输入电压范围内工作,并支持1.5A最大连续电流。 TPS22999负载开关在开关关闭时具有集成式5.3Ω快速输出放电路径,可实现可靠的系统运行。该负载开关具有一个电源正常状态(PG)信号,指示主MOSFET何时完全稳定至最低电阻路径。TPS22999负载开关采用间距为0.35mm的8引脚WCSP封装(YCH),并可在自然通风条件下的-40°C至105°C温度范围内运行。典型应用包括可穿戴设备、固态硬盘(SSD)、个人电脑和笔记本电脑、工业电脑和光学模块。特性
- 输入工作电压范围(VIN)
- 偏置电压范围:2.3V至5.5V
- 持续电流:1.5A(最大值)
- 7.5mΩ(典型)导通电阻 (RON)
- 调节浪涌电流
- 集成快速输出放电:5.3Ω
- 开漏电源良好 (PG) 信号
- < 200μs(VIN =1V开启时间)
- 热关断
- VBIAS欠压锁定(UVLO)
- 低功耗:
- 10μA(典型)开启状态(IQ)
- 2.7μA(典型)关断状态(ISD)
- 智能EN引脚下拉(RPD,EN):
- 25nA(典型值)EN ≥ VIH (ION)
- 500kΩ(典型)EN ≤ VIL (RPD,ON)
应用
- 可穿戴设备
- 固态硬盘(SSD)
- 个人电脑和笔记本电脑
- 工业电脑
- 光学模块
典型应用图
方框图
发布日期: 2024-01-15
| 更新日期: 2024-02-05
