Texas Instruments TPS23523热插拔和OR-ing控制器
Texas Instruments TPS23523高性能热插拔和OR-ing控制器通过启用的大功率电信系统,符合严苛的瞬变要求。TPS23523的最大绝对额定值为200V,因此可以通过雷电浪涌测试,提供400µA拉电流,所以能够快速恢复。通过软启动电容断开,不影响瞬态响应,限制涌入电流,所以可以使用更小热插拔FET。因此,通过需要多个热插拔FET的电源应用可以节省空间,降低BOM成本。该器件双电流限制使其能够轻松通过棕色输出和输入步骤,例如ATIS 0600315.2013所需。此外,该控制器通过可编程阈值和迟滞提供精确欠压和过压保护。TPS23523集成OR-ing控制器是需要反向连接保护和反向电流保护的-48V系统的理想解决方案。输入下降时,OR-ing控制器保护输出,从而避免系统重置。Additionally, the controllers offer accurate undervoltage and overvoltage protection with programmable thresholds and hysteresis. 48V Systems that require reverse hook-up protection and reverse-current protection find an ideal solution with the Texas Instruments TPS23523 integrated OR-ing controller. When the input drops, the OR-ing controller protects the output, avoiding system resets.
特性
- 工作电压:-10V至-80V DC,最大绝对值:200V
- 软启动电容断开
- 双热插拔栅极驱动
- 栅极拉电流:400µA
- 双电流限制(基于VDS)
- 25mV±4%(低VDS 时)
- 3mV±25%(高VDS时)
- 可编程 UV (±1.5%) 和 OV (±2%)
- 可编程滞后 (±11%)
- 集成OR-ing控制器
- 调节:25mV±15mV
- 快速关闭:-6mV±4mV
- 超时后重试
- 16引脚TSSOP
应用
- 远程无线电单元
- 基带单元
- 路由器和交换机
- 小型蜂窝
- –48V电信基础设施
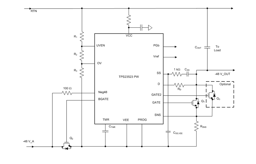
TPS23523框图
发布日期: 2018-04-11
| 更新日期: 2022-11-22
