该直流-直流控制器采用PSR,可以利用辅助绕组的反馈来控制输出电压,无需外部并联稳压器和光耦合器。通常,转换器的开关工作频率为250kHz,并针对具有二次侧同步整流的连续导通模式 (CCM) 下运行进行了优化, 从而在多个输出上实现最佳整体效率、调节精度和步进负载响应。
该器件提供SFFD和压摆率控制,有助于最大限度地减少EMI滤波器的尺寸并降低其成本。高级启动支持使用极小偏置电容,同时简化转换器启动和断续模式设计。为主要辅助电源检测 (APD) 引脚提供了一次侧电源适配器的优先级。TPS23758器件支持非隔离式应用的降压拓扑。
特性
- 全套IEEE 802.3at PD解决方案(用于1类PoE)
- 可提供以太网联盟 (EA) 徽标认证设计
- 可靠的100V、0.36Ω(典型值)热插拔MOSFET
- 集成PWM控制器,具有0.77Ω(典型值)150V功率MOSFET
- 带PSR的反激控制器
- 支持具有二次侧同步FET的CCM操作 - 多输出
- ±1%(典型值,5V输出)负载调节(0-100%负载范围) - 带同步FET
- 支持低侧开关降压拓扑
- 可调开关频率,带同步功能
- 具有高级启动功能的软启动控制
- 可编程转换率和频率抖动,用于降低EMI
- 带PSR的反激控制器
- 一次适配器优先输入
- 结温范围:–40°C至125°C
- 小型6mmx4mm VSON封装
应用
- 符合IEEE 802.3at标准的供电设备
- 网络电话
- 安保摄像头
- IP电话
- 接入点
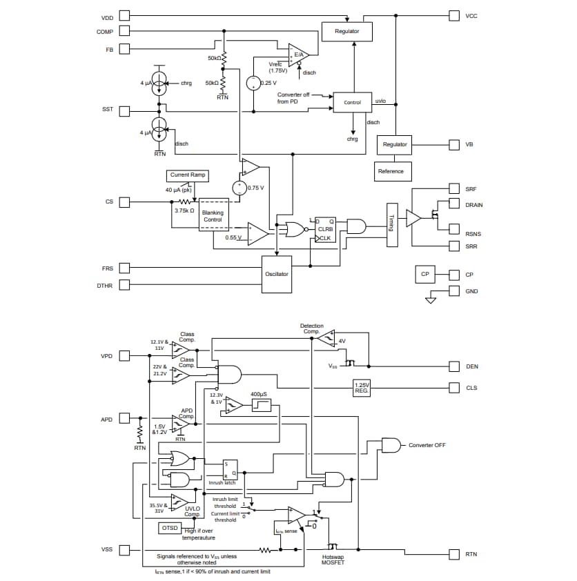
功能图
发布日期: 2019-07-31
| 更新日期: 2023-10-12

