每端口专用ADC提供连续端口电流监控,并能够执行并行分类测量,以实现更短的端口开启时间。1.25A端口电流限制和可调功率限制可支持60W以上的非标准应用。借助200mΩ电流检测电阻器和外部FET架构,设计可在尺寸、效率、散热和解决方案成本要求之间取得平衡。
端口重映射和与TPS23882型号3、双对8通道PoE PSE控制器的引脚对引脚兼容性可轻松实现上一代PSE设计的迁移,并支持可互换2层PCB设计以适应不同的系统PoE电源配置。
特性
- 用于型号3、双对以太网供电应用的IEEE 802.3bt PSE解决方案
- 电阻可选自动操作
- 无需外部MCU
- 与TI的FirmPSE系统固件兼容
- SRAM可编程存储器
- 可编程功率限制精度:±3%
- 200mΩ电流检测电阻器
- 传统PD电容测量
- 可选的2线对端口电源分配
- 4W、7W、15.4W或30W
- 每端口专用的14位积分电流ADC
- 防噪MPS,用于直流断开
- 2%的电流检测精度
- 1位或3位快速端口关断输入
- Auto-class发现和功率测量
- “永不受骗”4点检测
- 浪涌和运算折返保护
- 425mA和1.25A可选电流限制
- 端口重映射
- 8位或16位I2C通信
- 灵活的处理器控制工作模式
- 自动、半自动和手动/诊断
- 每端口电压监控和遥测
- 工作温度范围:–40°C至+125°C
应用
- 录像机(NVR、DVR等)
- 小型企业交换机
- 校园网和分支交换机
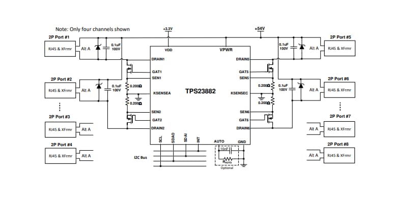
简化示意图
发布日期: 2019-10-17
| 更新日期: 2024-01-04

