Texas Instruments TPS25200 5V 电子熔丝
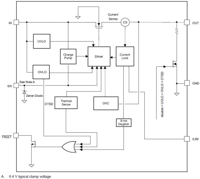
德州仪器 TPS25200 5V 电子熔丝(eFuse)是一款具有高精度电流限值和过压钳位的电子熔丝。该器件在发生过压和过流时为负载和电源提供强健保护。TPS25200 是一款智能受保护负载开关,其 VIN 可耐受 20V 的电压。如果在 IN 上施加了错误电压,输出将被固定在 5.4V 电压,以保护负载。如果 IN 上的电压超过 7.6V,该器件将负载断开,以防止对器件和/或负载造成损坏。TPS25200 具有一个内部 60mΩ 电源开关,并且用于在多种异常情况下保护电源、器件和负载。该器件可提供高达 2.5A 的连续负载电流。通过一个连接到地的电阻,可在 85mA 到 2.9A 范围内对限流值进行设置。当发生过载时,输出电流被限制在通过 RILIM 设定的电流值上。如果出现持续的过载,该器件将最终进入热关断,以防止对 TPS25200 造成损坏。The current limit is programmable from 85mA to 2.9A for TPS25200 and to 2.7A for TPS25200-Q1 with a single resistor to ground. During overload events, the output current is limited to the level set by RILIM. If a persistent overload occurs, the device will eventually go into thermal shutoff to prevent damage to the TPS25200/TPS25200-Q1. The Texas Instruments TPS25200-Q1 devices are AEC-Q100 qualified for automotive applications.
特性
- 2.5V to 6.5V operation
- Input withstands up to 20V
- 7.6V input overvoltage shutoff
- 5.25V to 5.55V fixed overvoltge clamp
- 0.6µs overvoltage lockout response
- 3.5µs short circuit response
- Integrated 60mΩ high-side MOSFET
- Up to 2.5A continuous load current
- ±6% current-limit accuracy at 2.9A
- Reverse current blocking While disabled
- Built-in soft start
- Pin-to-Pin compatible with TPS2553
应用
- USB power switches
- USB slave devices
- Smartphones
- 3G, 4G wireless data cards
- Solid State Drives (SSD)
- 3V or 5V adapter powered devices
Datasheets
Functional Block Diagram
Development Tool
发布日期: 2014-09-09
| 更新日期: 2022-03-11
