Texas Instruments TPS25831Q1EVM-062评估模块

Texas Instruments TPS25831Q1EVM-062评估模块设计用于USB Type-C和BC1.2 5V 3.5A输出、36V输入同步降压器件,具有电缆补偿功能。TPS25831Q1EVM-062评估模块设有电源端子块、USB type-A和USB type-C连接器,可进行器件充电和数据通信。该评估模块可通过电阻器调节电缆补偿、电流限制、直流/直流频率和NTC热保护。

特性

  • 6V至36V(40V最大绝对电压)输入范围电流模式控制直流/直流转换器
  • ±8%的电流检测精度 (IOUT > 1.5A),以支持精密电缆压降补偿
  • 符合USB电池充电规范1.2版和Type-C 1.3版的要求
  • 为CC1、CC2、D+和D-提供VBAT和VBUS短路保护
  • 用户可编程VBUS电流限制和内部VCONN电流限制
  • 用于系统热管理的用户可编程外部NTC元件

应用

  • 汽车:
    • 信息娱乐
    • USB集线器
    • 售后USB充电器

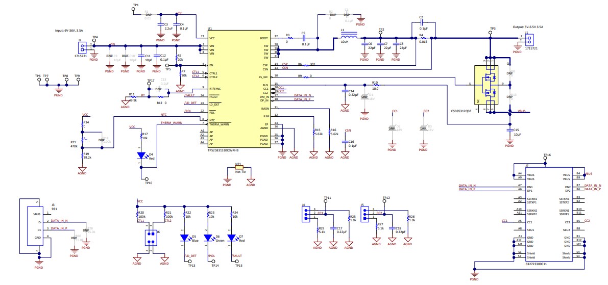
原理图

原理图 - Texas Instruments TPS25831Q1EVM-062评估模块
发布日期: 2019-04-24 | 更新日期: 2023-08-23