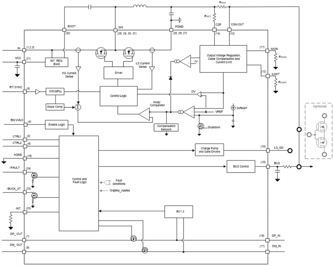
同步降压稳压器采用电流模式控制,并通过内部补偿来简化设计。RT引脚上的电阻器在300kHz和2.2MHz之间设置开关频率。这些设备的工作频率低于400kHz,从而可提高系统效率。在2.1MHz以上运行可避开调幅无线电频段,并可使用较小的电感器。Texas Instruments TPS25846-Q1集成了使用USB数据线确定充电配置的传统设备所必需的电子签名。保护功能包括逐周期电流限制、打嗝短路保护、欠压锁定、VBUS 过压和过流、数据线(Dx)与 VBUS 短路以及芯片过温保护。
特性
- 符合汽车应用类AEC-Q100标准
- -40°C至+125°C,TA 温度等级为1级
- HBM ESD分类级别H2
- CDM ESD分类等级C5
- 同步降压直流/直流稳压器
- 输入电压范围:4.5V至36V
- 输出电流:3.5A
- 5.1V输出电压,精度为±1%
- 电流模式控制
- 可调频率:300kHz至2.2MHz
- 与外部时钟频率同步
- 具有扩展频谱抖动的FPWM
- 内部补偿,便于使用
- 符合USB-IF标准
- 符合USB BC1.2要求的CDP/SDP模式
- 针对USB供电和通信进行了优化
- 用户可编程的USB电流限制
- 电缆压降补偿高达1.5V
- DP和DM上的高带宽数据开关
- 用于系统更新的客户端模式
- 集成保护
- VBUS 短路至VBAT 保护
- DP_IN和DM_IN VBAT短路
- DP_IN和DM_IN VBUS短路
- DP_IN、DM_IN上的保护等级符合IEC 61000-4-2标准
- ±8kV接触放电和±15kV空气放电
- 故障标记报告
- 带可湿性侧翼的32引脚QFN封装
应用
- 汽车信息娱乐
- USB媒体集线器
- USB充电器端口
功能框图
发布日期: 2020-12-10
| 更新日期: 2025-02-27

