Texas Instruments TPS25984可堆叠电子保险丝
Texas Instruments TPS25984可堆叠电子保险丝是采用小型封装的集成大电流电路保护和电源管理解决方案。这些器件以最少的外部元件提供多种保护模式,可作为针对过载、短路和过大浪涌电流的可靠保护措施。TPS25984电子保险丝在4.5V至16V输入工作电压范围内工作,并支持多个电子保险丝并联连接以支持 更大的电流。这些可堆叠电子保险丝提供用于浪涌电流保护的可调输出压摆率控制 (dVdt) 和具有可调欠压锁定 (UVLO) 的高电平有效使能输入。TPS25984电子保险丝适用于输入热插拔和热插拔、服务器和高性能计算、网络接口卡、图形/硬件加速卡以及数据中心交换机/路由器。特性
- 输入工作电压范围:4.5V至16V
- 绝对最大值为20 V
- 输出端可耐受高达–1V的负电压
- 具有超低导通电阻的集成式FET:0.8mΩ(典型值)
- 额定RMS电流为55A,峰值电流为70A
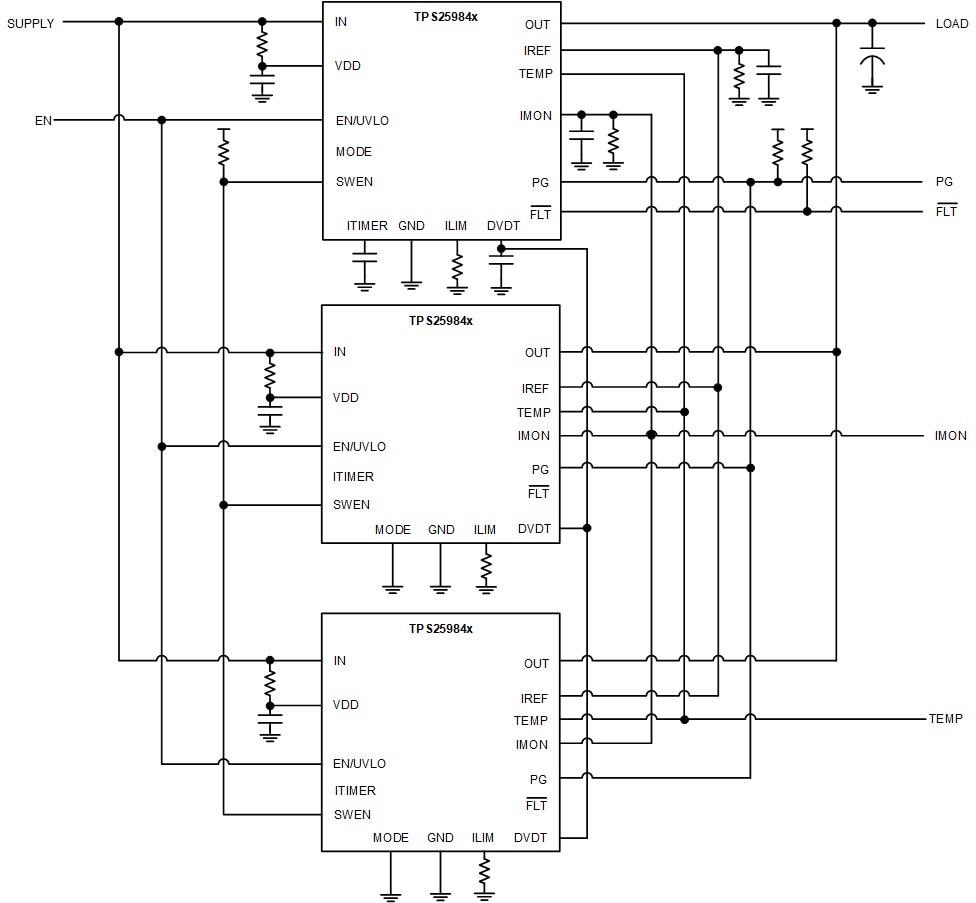
- 支持多个电子保险丝并行连接,从而支持更高的电流:
- 启动和稳态期间器件运行状态同步和负载共享
- 强大的过流保护:
- 可调过流阈值 (IOCP) 为10A至55A,精度为 ±5%
- 断路器稳态运行期间的响应,以及可调节的瞬态过流计时器 (ITIMER),可支持高达2×IOCP 峰值电流
- 启动期间的可调有功电流限制 (ILIM)
- 精确的模拟负载电流监控:
- 精度:±1.4%
- 带宽:>500kHz
- 强大的短路保护:
- 针对输出短路事件进行快速跳变响应(<200ns)
- 可调阈值 (2×IOCP)
- 不受电源线路瞬变影响(无误跳变)
- 快速过压保护(16.7V固定阈值)
- 可调输出转换速率控制(dVdt),用于提供浪涌电流保护
- 带有可调节欠压锁定(UVLO)的高电平有效使能输入
- 过热保护(OTP)以确保实现FET SOA保护:
- 保证的FET SOA:10W√s
- 集成式FET运行状况监测和报告
- 模拟裸片温度监测器输出(TEMP)
- 故障指示专用引脚(FLT)
- 电源正常状态指示引脚(PG)
- 小尺寸:5mm × 5mm QFN封装
- 100%无铅
应用
- 输入热插拔
- 服务器和高性能计算
- 网络接口卡
- 显卡和硬件加速器卡
- 数据中心交换机和路由器
- 风扇框
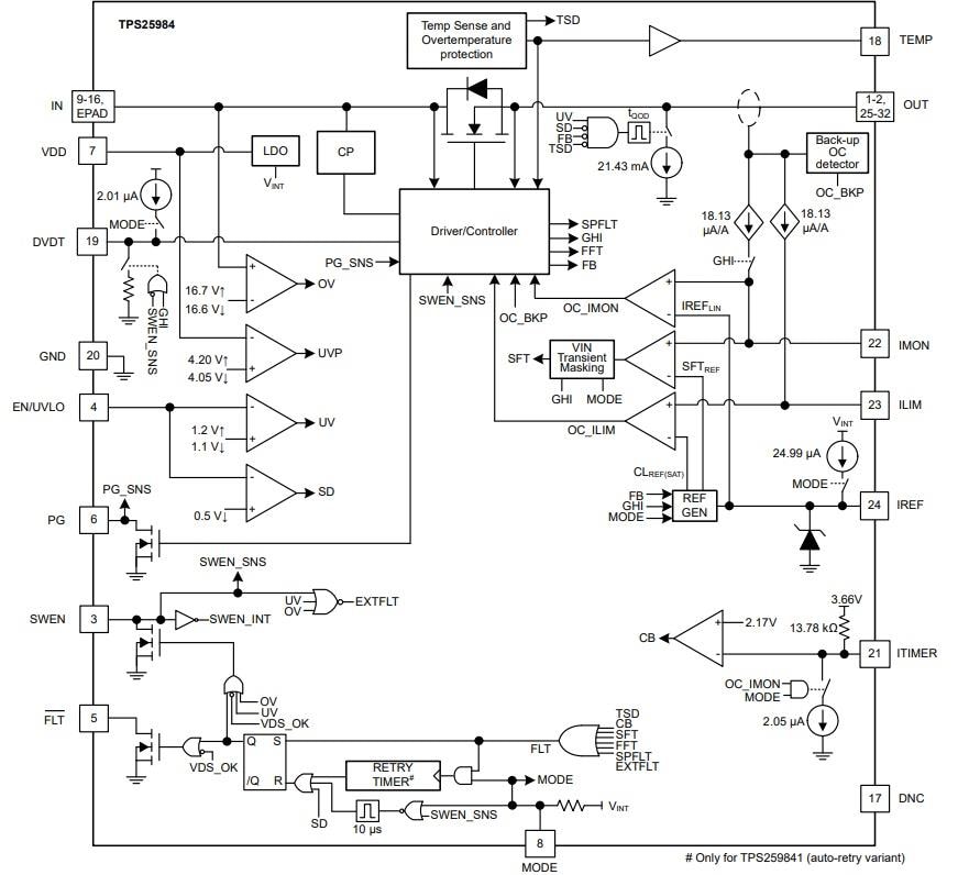
功能框图
简化示意图
发布日期: 2024-01-22
| 更新日期: 2024-02-19
