特性
- 工作电压:4.5V至57V,最大绝对值:60V
- 低至–60V的集成反向输入极性保护
- 集成反向输出极性保护 - (60VIN)(仅限TPS26624和TPS26625)
- 集成背靠背MOSFET,总RON为478mΩ
- 25mA至880mA可调限流(880mA时精度为±5%)
- 快速反向电流阻断响应 (0.3µs)
- 可在浪涌时保护负载 (IEC 61000-4-5),只需最少的外部元件
- 电气快速瞬变抗扰性符合IEC 61000-4-4标准
- 可调UVLO、OVP关断、输出转换率控制,实现涌入电流限制
- 38V固定过压钳位(仅限TPS26622和TPS26623)
- 低静态电流,工作时为340µA,关断时为12µA
- 占位面积小 - 10L (3mm x 3mm) VSON
- 正在进行UL 2367认证
应用
- PLC I/O模块
- 交流和伺服驱动器
- 传感器和控制器
- 恒温器
- PoE高侧保护
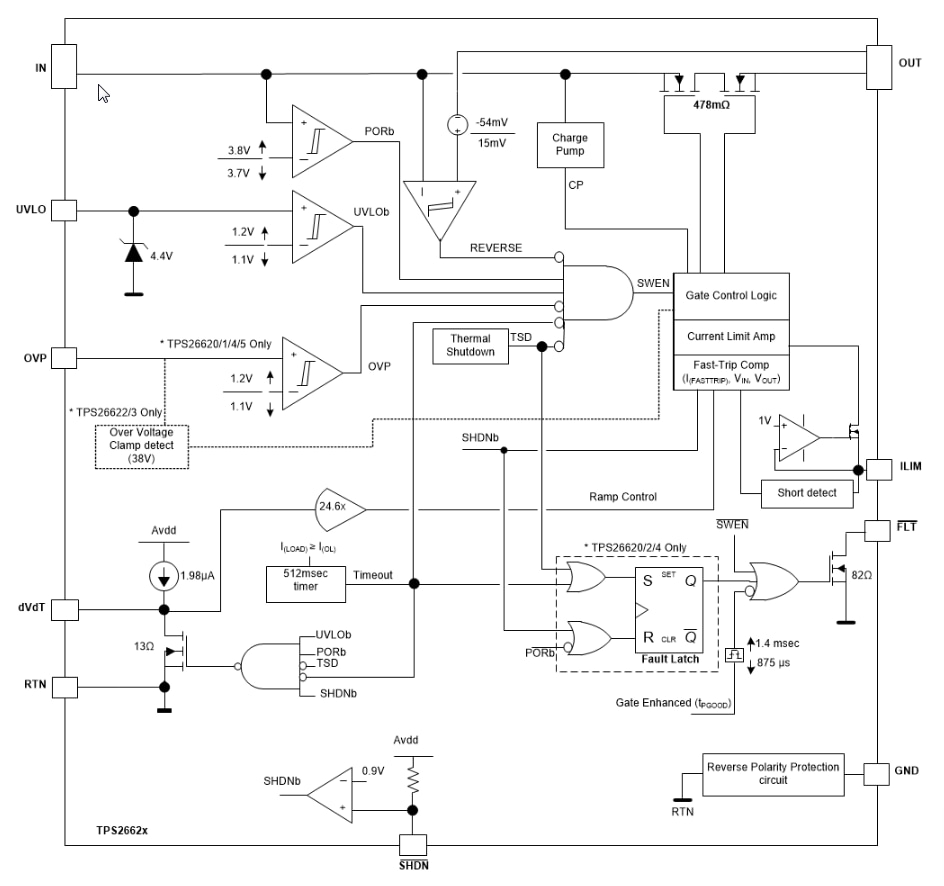
框图
发布日期: 2018-08-24
| 更新日期: 2024-07-09

