Texas Instruments TPS274C65CPEVM 驱动评估模块
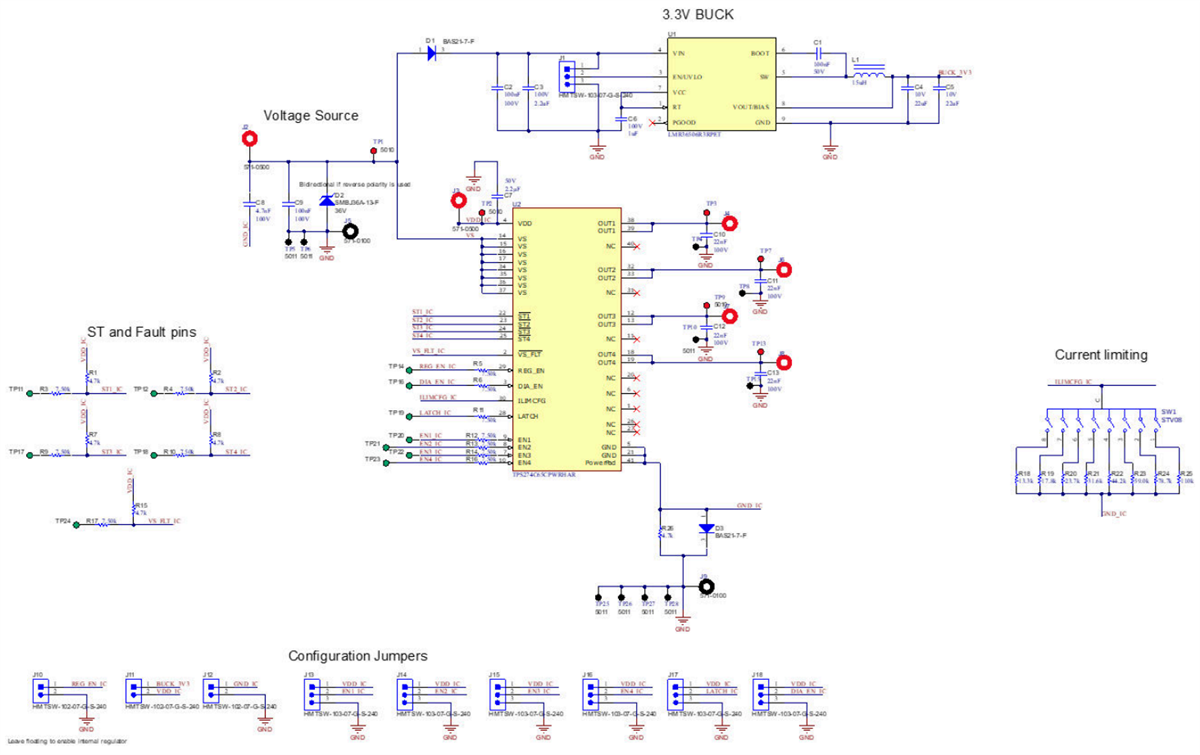
Texas Instruments TPS274C65CPEVM评估模块设计用于评估TPS274C65CP工业高侧开关的所有性能及功能。该评估模块允许用户在将四通道TPS27465智能高侧开关设计到更大的电源系统之前对其进行隔离。 TPS274C65CPEVM评估模块具有板载3.3V降压转换器,可支持外部VDD 和较低的器件Iq。 该评估板提供一种将一组电源连接到TPS274C65开关各输入的无缝方式。TPS274C65CPEVM板设计用于将负载连接到输出通道,还可使用芯片的控制引脚打开/关闭器件。该板提供一种通过使用一组外部硬件跳线轻松将逻辑信号置于有效和无效的方法。TPS274C65CP评估模块用于工业可编程逻辑控制器(PLC)系统、数字输出模块、IOLink端口和传感器电源。特性
- 支持CP版本的TPS274C65开关
- 板载3.3 V降压转换器支持外部VDD 和较低的器件Iq
- 工作电压范围:12 V至36 V
- 可编程电流限制与外部电阻器
- 自然通风条件下的工作温度范围:-40°C至125°C
应用
- 工业可编程逻辑控制器(PLC)系统
- 数字输出模块
- IOLink端口
- 传感器电源
原理图
发布日期: 2024-01-24
| 更新日期: 2024-01-29
