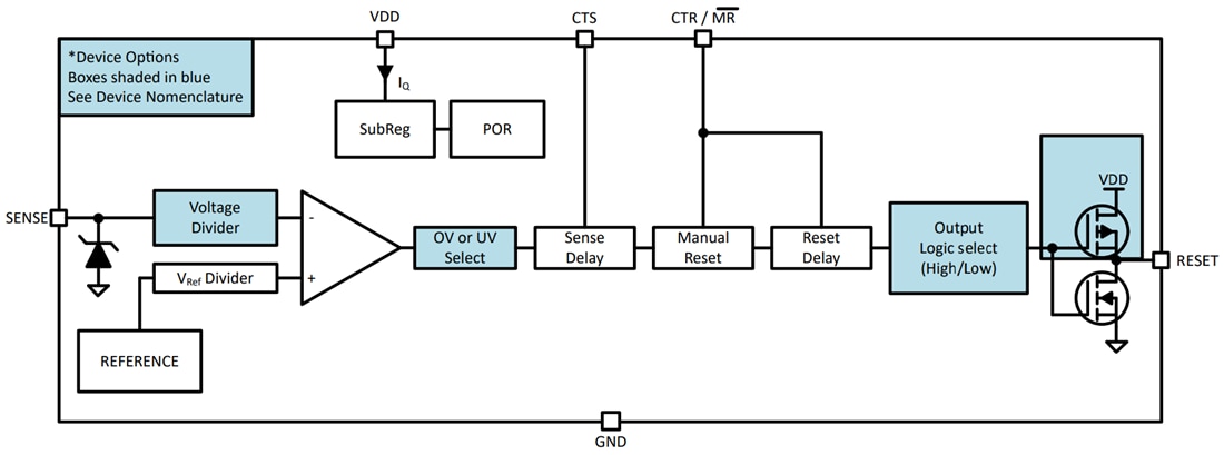
单独的VDD 和SENSE引脚可实现高可靠性系统所需的冗余。SENSE与VDD 脱开,可以监控比VDD 高或低的电压。SENSE引脚的高阻抗输入支持选用外部电阻器。通过CTSx和CTRx引脚,可以对RESET信号的上升沿和下降沿进行延迟调整。而且,CTSx还通过忽略监控电压轨上的电压毛刺来充当去抖器,CTRx用作手动复位 (MR),可用于强制进行系统复位。
Texas Instruments TPS3760/TPS3760-Q1采用4.1 mm × 1.9 mm SOT 14引脚封装。TPS3760/TPS3760-Q1工作在-40°C至+125°C的TA 范围内。TPS3760-Q1器件符合汽车应用类AEC-Q100认证。
特性
- 支持功能安全
- 来辅助功能安全系统设计的文档
- 宽电源电压范围:2.7V至65V
- SENSE和RESET引脚为65V等级
- 低静态电流:1µA(典型值)
- 灵活而广泛的电压阈值选项
- 2.7V至36V(最高精度1.5%)
- 800mV选项(1%最大精度)
- 内置迟滞 (VHYS)
- 百分比选项:2%至13%(每档1%)
- 固定选项:VTH < 8V = 0.5V、1V、1.5V、2V、2.5V
- 可编程复位时间延迟
- 10nF = 12.8ms,10µF = 12.8s
- 可编程检测延时时间
- 10nF=1.28ms,10µF=1.28s
- 手动复位 (MR) 特性
- 输出复位锁存特性
- 输出拓扑:开漏或推挽
应用
- 模拟输入模块
- CPU(PLC控制器)
- 伺服驱动控制模块
- 伺服驱动器功率极模块
- 伺服驱动器功能安全模块
- HVAL阀和执行器控制
功能框图
发布日期: 2022-05-10
| 更新日期: 2024-09-27

