I2C功能在选择阈值、复位延迟、毛刺滤波器和引脚功能上提供了灵活性。内部抗毛刺和噪声滤波器无需外部RC组件,从而减少电源瞬变引起的错误复位。TPS38800-Q1/TPS388R0-Q1无需外部电阻器即可设置过压和欠压复位阈值,进一步优化整体精度、成本和尺寸,并提高安全系统的可靠性。
特性
- 符合ASIL-B功能安全标准的产品
- 功能安全应用的开发目标
- 文档,协助ISO 26262系统设计
- 系统能力高达ASIL D
- 硬件能力高达ASIL B
- 符合AEC-Q100标准,设备温度等级1:-40°C至125°C
- 监控最先进的SOC
- ±6mV阈值精度(-40°C至125°C)
- 输入电压范围:2.5 V至5.5 V
- 2.48V欠压锁定 (UVLO)
- 200µA空闲模式最大低静态电流
- 提供2至8通道配置
- 固定窗口阈值水平
- 5mV步进(0.2V至1.475V)
- 步长:20 mV(0.8 V至5.5 V)
- 微型封装,尽量降低元件成本
- 3 mm x 3 mm QFN封装
- 通过I2C可用户调节抗毛刺干扰能力
- 通过I2C可用户调节电压阈值水平
- 设计用于安全应用
- 低电平有效开漏NIRQ输出(锁存)
- 低电平有效的开漏NRST输出(复位延迟)
- 循环冗余校验 (CRC)
- 数据包错误检查(PEC)
应用
- 高级驾驶辅助系统 (ADAS)
- 传感器融合
典型电路
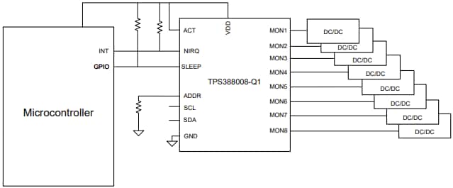
框图
其他资源
发布日期: 2025-01-22
| 更新日期: 2025-05-06

