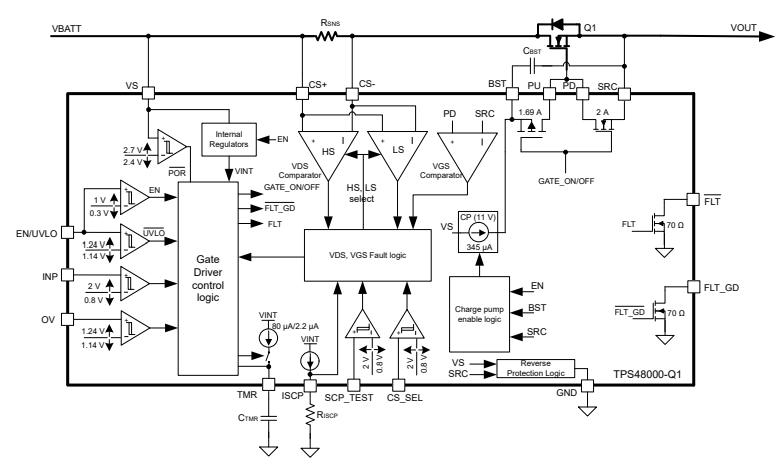
TPS4800-Q1驱动器具有集成11V电荷泵、高侧或低侧电流检测配置(CS_SEL)以及用于栅极驱动欠压闭锁(UVLO)的故障指示(FLT_GD)。该驱动器还可使用SCP_TEST输入上的外部控制来诊断内部短路比较器。TPS4800-Q1驱动器用于汽车48V BMS、直流-直流转换器和电动工具。
特性
- 符合汽车应用类AEC-Q100汽车标准
- 器件温度1级:-40°C至125°C的环境工作温度范围
- 反向输入保护低至-65V
- 集成11V电荷泵
- 低静态电流,43µA工作电流
- 1.5 µA低关断电流(EN/UVLO = 低)
- 强大的栅极驱动器(2A拉电流和灌电流)
- 输入电压范围:3.5V至95V(100V最大绝对值)
- 可调短路保护(ISCP),使用外部Rsense或MOSFETVDS 检测,具有可调延迟(TMR)
- 高侧或低侧电流检测配置(CS_SEL)
- 可调输入欠压闭锁(UVLO)和过压保护(OV)
- 短路故障、输入欠压和短路比较器诊断(SCP_TEST)时故障指示(FLT)
- 栅极驱动UVLO故障指示(FLT_GD)
应用
- 48 V汽车电池管理系统 (BMS)
- DC-DC转换器
- 电动工具
功能框图
带外部电源至BST的应用电路
发布日期: 2025-01-16
| 更新日期: 2025-04-17

