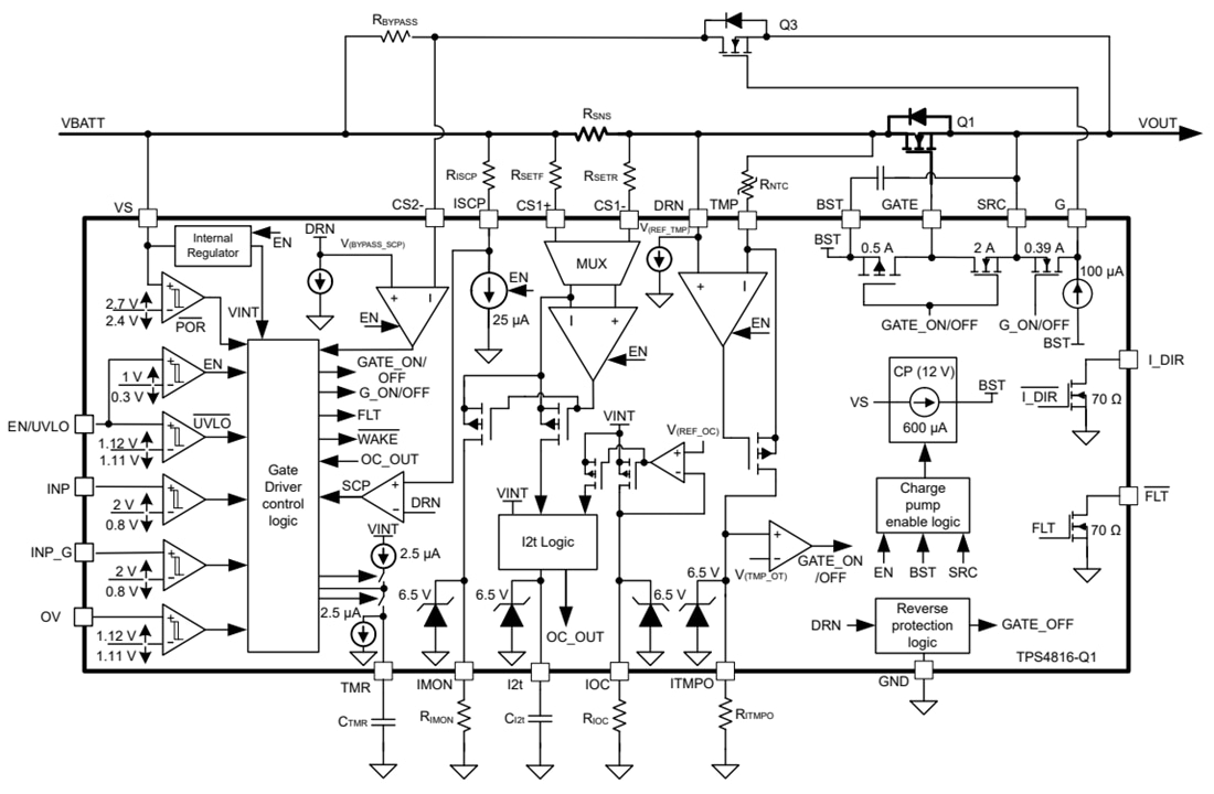
该器件集成强大的栅极驱动器(0.5A峰值源电流与2A峰值灌电流),在大电流系统设计中,可通过并联FET实现功率开关控制。使用INP作为栅极驱动器控制输入。可通过外接RC元件,控制MOSFET的转换速度(开和关)。该器件还集成一个带控制输入(INP_G)的预充电驱动器(G)。此功能可实现需驱动大容性负载的设计。在关断模式下(输入电压为48V),该控制器总关断电流为1µA。
该器件具备精确的双向电流检测(±2%)输出(IMON、I_DIR),可通过外接RSNS 电阻和/FLT指示实现基于I2t的可调过流及短路保护(±5%)。故障行为可配置为自动重试或锁定关闭模式。该器件还具备基于NTC的温度检测(TMP)及监测输出(ITMPO),用于外部FET的过热检测。Texas Instruments TPS4816-Q1采用23引脚VQFN封装。
特性
- 通过AEC-Q100汽车级认证,温度等级为1
- 输入范围:3.5V至95V(绝对最大值为100V)
- 输入/输出反向保护,低至–60V
- 集成12V电荷泵
- 1 µA低关断电流(EN/UVLO = 低)
- 双栅极驱动器:GATE=0.5A源电流/2A灌电流;G=100µA源电流/0.39A灌电流
- 集成预充电开关驱动器(INP_G),用于驱动容性负载
- 精确的I2t过流保护(IOC),带可调断路器定时器(I2t)
- 精确(±5%)且快速(5µs)的短路保护
- 精确模拟双向电流监测输出(IMON、I_DIR),VSNS =30mV,精度±2%
- 基于NTC的过热检测(TMP)和监测输出(ITMPO)
- 短路故障、I2t过流、电荷泵欠压锁定(UVLO)、过压(OV)及过热期间均提供故障指示(/FLT)
- TPS48160-Q1(启用I2t),TPS48161-Q1(禁用I2t)
- 精确(±2%)且可调的欠压锁定(UVLO)和过压保护(OV)
应用
- 配电箱
- 车身控制模块
- DC-DC转换器
- 电池管理系统
功能框图
发布日期: 2025-09-02
| 更新日期: 2025-09-10

