Texas Instruments TPS51215A支持需要遥感应用中的所有POS/SPCAP和/或全陶瓷MLCC输出电容器选项。外部可编程积分电容器实现精确的直流负载调节。TPS51215A提供一整套保护措施,包括OVP、OCL、5V UVLO和热关断。它支持高达28V转换电压和0.5V至2V可调输出电压。
TPS51215A采用3mm × 3mm、QFN、0.4mm间距封装,额定工作温度范围为-40°C至125°C。
特性
- 差分电压反馈
- 直流补偿,实现精确调节
- 宽输入电压范围:3 V至28 V
- 灵活的2位VID支持0.5V至2.0V输出电压和0V VOUT
- D-CAP2™模式(600kHz时),用于超低/低ESR输出电容器
- 4700 ppm/°C、低侧RDS (on) 电流检测
- 可编程软启动时间和输出电压转换时间
- 内置输出放电
- 电源良好输出
- 集成升压开关
- 内置OVP/UVP/OCP
- 热关断(非锁存)
- 3mm × 3mm、20引脚QFN (RUK) 封装
应用
- 笔记本电脑
- 台式电脑
- 工业电脑
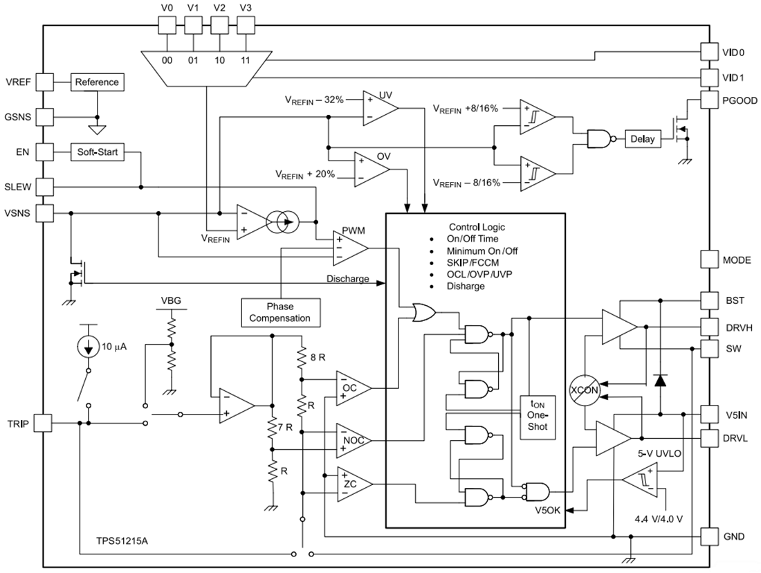
功能框图
发布日期: 2020-08-12
| 更新日期: 2024-08-07

