TPS51385提供OVP、UVP、OCP、OTP和UVLO的全面保护。该器件结合了输出放电功能和电源正常状态信号。TPS51385同时支持外部和内部软启动时间选项。该器件具有1ms的内部固定软启动时间。如果应用需要更长的软启动时间,则可以使用外部SS引脚,通过连接外部电容器来实现更长的软启动时间。Texas Instruments TPS51385采用热增强型12引脚QFN封装,并且工作结温范围为-40°C至125°C。
特性
- 4.5 V 到 24 V 的输入电压范围
- 输出电压范围:0.6 V至5.5 V
- 集成22 mΩ和11 mΩ MOSFET
- 支持7A连续IOUT
- 低静态电流:84 µA
- 25°C时的基准电压 (0.6 V)为±1%
- -40°C至125°C时的基准电压 (0.6 V)为±1.5%
- 1MHz开关频率
- D-CAP3™控制模式,用于快速瞬态响应
- 支持POSCAP和所有MLCC输出电容
- 可调节软启动和内部1ms软启动
- 具有在轻负载条件下可选的PSM和Out-of-Audio™™(OOA)模式,支持动态更改
- 支持大负荷运行
- 电源正常状态指示器,可监测输出电压
- 锁存输出OV和UV保护
- 非锁存UVLO和OT保护
- 逐周期过流保护
- 内置输出放电特性
- 小型2.00 mm × 3.00 mm HotRod™ QFN封装
- 与 TPS51386 引脚对引脚兼容(24V、8A)
应用
- 笔记本电脑和台式机
- 超级本、平板电脑
- TV和STB、负载点 (POL)
- 分布式电源系统
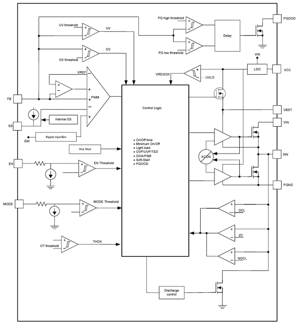
功能框图
发布日期: 2024-01-22
| 更新日期: 2024-01-31

