Texas Instruments TPS51386同步降压式转换器
Texas Instruments TPS51386同步降压式转换器是具有自适应导通时间D-CAP3控制模式的单片同步降压式转换器。该器件具有4.5V至24V输入电压范围、0.6V至5.5V输出电压范围、8A连续电流 (IOUT) 和84μA低静态电流。TPS51386集成了低RDS(on) 功率MOSFET,不仅效率高,而且使用方便,外部元件数量最少,适用于空间有限的电源系统。该同步降压转换器具有精确的基准电压、快速负载瞬态响应、用于提高轻负载效率的自动跳跃模式运行、开关频率大于25kHz的Out-of-Audio™(OOA)轻负载运行操作。TPS51386转换器提供全面保护,如过压保护(OVP)、欠压保护(UVP)、过流保护(OCP)、过热保护(OTP)和欠压锁定保护(UVLO)。典型应用包括笔记本电脑、个人电脑、计算机、超级本、平板电脑、电视、STB、负载点(POL)和分布式电源系统。
特性
- 4.5 V 到 24 V 的输入电压范围
- 输出电压范围:0.6 V至5.5 V
- 集成22 mΩ和11 mΩ MOSFET
- 支持8A连续电流 (IOUT)
- D-CAP3™控制模式,用于快速瞬态响应
- 低静态电流:84 µA
- 25°C时基准电压(0.6V)精度为±1%
- 在–40°C至125°C温度范围内基准电压(0.6V)精度为±1.5%
- 开关频率:600kHz
- 支持POSCAP和所有MLCC输出电容器
- 具有在轻负载条件下可选的PSM和Out-of-Audio™(OOA)模式,支持动态更改
- 可调节软启动和内部1ms软启动
- 支持大负荷运行
- 电源正常状态指示器,可监测输出电压
- 锁存输出OV和UV保护
- 非锁存UVLO和OT保护
- 逐周期过流保护
- 内置输出放电功能
- 小型2 mm × 3 mm HotRod™ QFN封装
应用
- 掌上电脑
- PC电脑
- 超极本
- 平板电脑
- 电视和STB
- 负载点(POL)
- 分布式电源系统
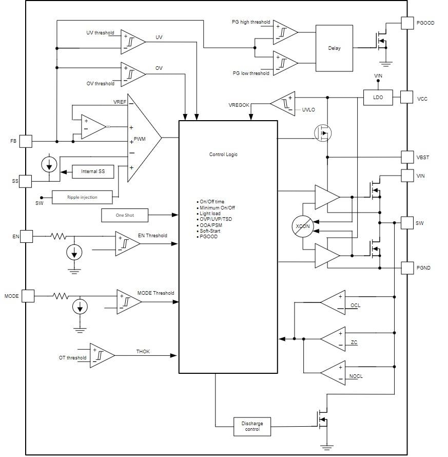
方框图
典型应用电路
发布日期: 2024-01-22
| 更新日期: 2024-02-19
