EN引脚可用于设置经济模式或Out-of-Audio (OOA) 模式,以实现轻负载运行。经济模式可在轻载运行期间保持高效率,而OOA模式则可将开关频率保持在可听频率以上,效率降低最小。EN引脚可以动态切换,即使在转换器运行时也是如此。
Texas Instruments TPS51388具有输出放电功能,并集成了电源良好指示器。它提供全面的保护,包括过压保护 (OVP)、欠压保护 (UVP)、过流保护 (OCP)、过温热保护 (OTP) 和欠压闭锁 (UVLO)。该器件采用13引脚、3.0mm × 4.0mm HotRod封装,结温范围为-20°C至125°C 。
特性
- 输入电压范围:4.5 V至24 V
- 输出电压:0.6 V至5.5 V
- 集成9.2 mΩ和4.5 mΩ FET
- 支持12 A连续输出电流
- 90uA低静态电流
- ±1.0%基准电压精度 (25°C)
- 可实现快速瞬态响应的D-CAP3™控制模式架构控制
- 支持POSCAP和所有MLCC输出电容器
- 可选的节能模式和Out-of-Audio™模式,具有动态变化功能
- 在系统待机期间,通过ULQ™模式延长电池寿命
- 内置输出放电功能
- 集成电源良好指示灯
- 600kHz和1MHz可选开关频率
- 固定软启动时间:1.0 ms
- 大占空比运行
- 逐周期过流和负过流保护
- 锁存输出OV和UV保护
- 非锁存UVLO和OT保护
- 工作结温范围:-20 °C至125 °C
- 13引脚3.0mm x 4.0mm HotRod™ VQFN封装
应用
- 笔记本电脑和台式机
- 超级本、手持式平板电脑
- 工业计算机、单板计算机
- 非军用无人机
- 分布式电源系统
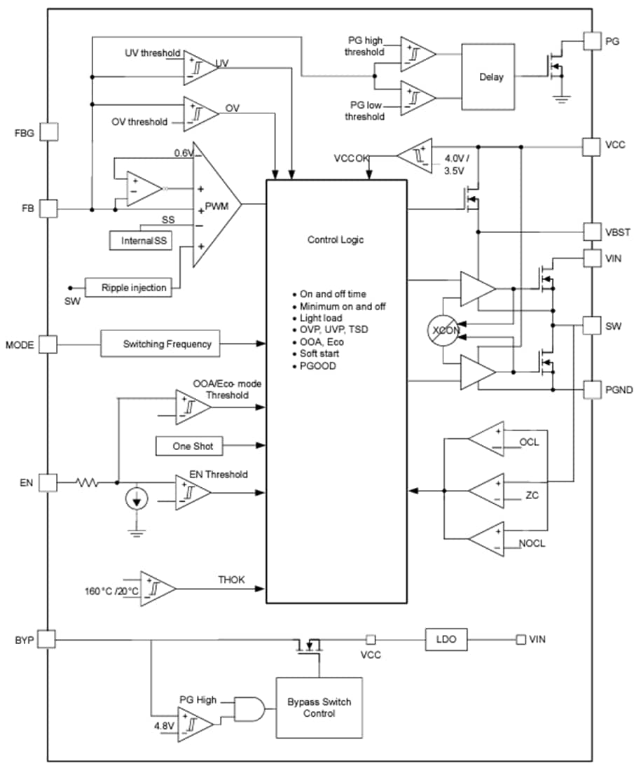
框图
发布日期: 2024-10-25
| 更新日期: 2024-11-20

