Texas Instruments TPS53647 降压控制器
德州仪器 TPS53647 降压控制器是一款大电流多相降压控制器。该器件具有内置非易失性存储器(NVM)和 PMBus 接口,完全兼容 NexFET 电源级(CSD95372BQ5MC)。TPS53647 具有 8 位启动电压选择功能,输出电压范围为 0.5V 至 2.5V,级差仅为 5mV,十分适合要求准确设置输出电压的大电流应用。其高级控制特性包括 D-CAP+ 结构,具有过冲抑制(USR)和下冲抑制(USR)功能。可实现快速瞬态响应、最低的输出电容和高效率。TPS53647 还具有新颖的相位交错策略和动态相位脱落,可提高低负载时的效率。特性
- 8-bit selectable BOOT voltage via pinstrap or NVM: 0.5V to 2.5V (down to 5mV step)
- 1, 2, 3, or 4-phase operation
- PMBus system interface for telemetry of voltage, current, power, temperature, and fault conditions
- 1.8V and 3.3V PMBus bias compatible
- Fault reporting: output voltage, output current, and temperature
- Configurable with Non-Volatile Memory (NVM) or resistor Pinstrap
- 16 levels of programmable OCP with Pinstrap or NVM
- Fast-transient with DCAP+control
- Optimized efficiency at light and heavy loads
- Support pre-bias startup
- 8 independent levels of Overshoot Reduction (OSR) and Undershoot Reduction (USR)
- Driverless configuration for efficient high-frequency switching
- Fully compatible with CSD95372BQ5MC NexFET power stage
- Accurate and adjustable voltage positioning
- 300kHz to 1MHz frequency selections with closed-loop frequency control
- Patented AutoBalance phase balancing
- Dynamic phase shedding with a programmable current threshold
- Conversion voltage range: 4.5V to 17V
- Small, 6mm × 6mm, 40-pin, QFN, PowerPAD package
应用
- Application-Specific Integrated Circuit (ASIC) power in the communications equipment
- High-density power solutions
- Server power
- Smart power systems
TI Reference Designs Library
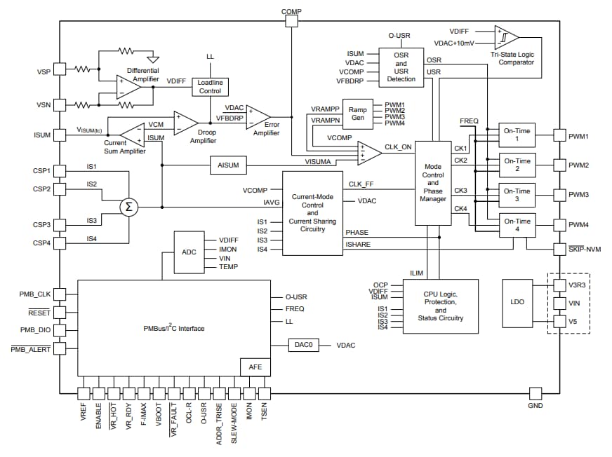
Functional Block Diagram
发布日期: 2015-09-10
| 更新日期: 2022-03-11
