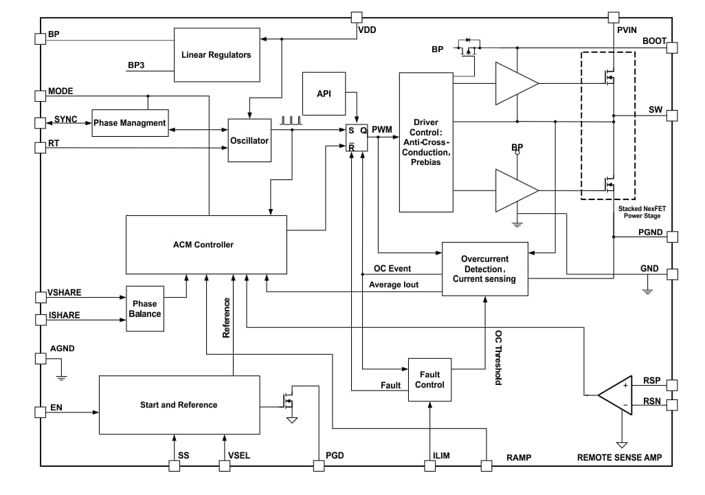
可选的API和体制动功能有助于分别通过显著减少下冲和过冲来提高瞬态性能。该器件采用带布局友好型散热焊盘的5mm x 7mm PowerStack™封装,设有带低损耗开关的集成式NexFET™ MOSFET,有助于实现高效率和提供高达40A的电流。两个TPS543C20A器件可堆叠在一起,以提供高达80A的负载点。
特性
- 内部补偿的高级电流模式控制40A POL
- 输入电压范围:4V至16V
- 集成3.4/0.9mΩ堆叠式NexFET™功率级,具有无损低侧电流检测功能
- 固定频率 - 与外部时钟同步和/或同步输出
- 引脚搭接可编程开关频率
- 独立模式:300kHz至2MHz
- 堆叠模式:300kHz至1MHz
- 2个器件可堆叠,实现高达80A的电流,并具有均流、均压和CLK同步功能
- 输出电压范围:0.6V至5.5V
- 引脚搭接可编程参考:0.6V至1.1V,精度为0.5%
- 差分远程检测
- 支持安全启动,进入预偏置输出
- 高精度断续模式电流限制
- 异步脉冲注入 (API) 和体制动
- 40引脚、5mm x 7mm LQFN封装,具有0.5mm间距和单个散热焊盘
- 使用TPS543C20A并借助WEBENCH®电源设计器创建定制设计方案
应用
- 无线和有线通信基础设施设备
- 企业级服务器、交换机和路由器
- 企业级存储、SSD
- ASIC、SoC、FPGA、DSP内核和I/O电源轨
其他资源
框图
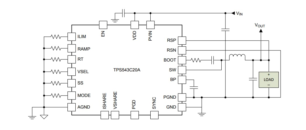
简化示意图
发布日期: 2019-11-26
| 更新日期: 2024-02-08

