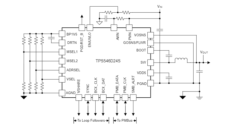
TI TPS546D24S采用7mm × 5mm封装,具有高频工作和40A电流输出。最多可将四个TPS546D24S器件互连,在单个输出上提供高达160A电流。该转换器可通过VDD5引脚通过5V外部电源驱动内部5V LDO,以提高效率并降低转换器的功耗。
TPS546D24S采用具有输入前馈和可选内部补偿组件的专有固定频率电流模式控制,可在多种输出电容下实现最小尺寸和稳定性。
支持1MHz时钟的PMBus接口提供了一个方便、标准化的数字接口,用于转换器配置和监控关键参数,包括输出电压、输出电流和内部裸片温度。根据系统要求,可以将对故障条件的响应设置为重启、闭锁或忽略。堆叠器件之间的反向通道通信允许所有TPS546D24S转换器为单输出轨供电,以共享一个地址,从而简化系统软件/固件设计。关键参数,包括输出电压、开关频率、软启动时间和过流故障限制,也可以通过BOM选择进行配置,无需PMBus通信,以支持无程序上电。
特性
- 集成扩展安全功能
- 分轨支持:2.95V至16V PVIN;2.95V至18V AVIN(4VIN VDD5用于切换)
- 集成式4.5mΩ/0.9mΩ MOSFET
- 具有可选内部补偿的平均电流模式控制
- 2×、3×、4×可堆叠,电流共享高达160A,每个输出可支持单个地址
- 通过引脚配置可选择0.5V至5.5V输出或使用PMBus VOUT_COMMAND选择0.25V至5.5V
- 广泛的PMBus命令集,可遥测VOUT、IOUT和内部裸片温度
- 通过内部反馈分压器实现差分遥感,可检测到小于1%的总VOUT 误差,TJ为–40°C至+150°C
- 通过PMBus实现自适应电压调节 (AVS) 和裕量调节
- 采用MSEL引脚,引脚编程PMBus默认值
- 从225kHz到1.5MHz的12个可选开关频率(8个引脚搭接选项)
- 频率同步输入/同步输出
- 支持预偏置输出
- 7mm × 5mm × 1.5mm,40引脚QFN
- 直接兼容TPS546D24A
- 使用带有WEBENCH®电源设计器的TPS546D24S创建定制设计
应用
- 数据中心交换机、机架式服务器
- 有源天线系统、远程无线电和基带处理单元
- 自动化测试设备、CT、PET和MRI
- ASIC、SoC、FPGA、DSP内核和I/O电压
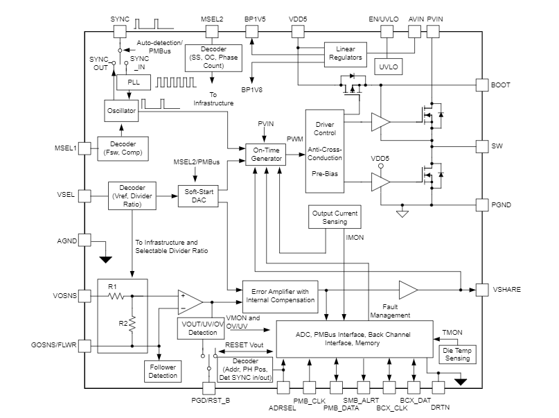
框图
简化应用
发布日期: 2023-04-26
| 更新日期: 2023-11-30

