特性
- 集成的SWIFT™ 9.9mΩ和4.3mΩ MOSFET支持15A连续IOUT
- 宽转换输入电压范围:1.5V至20V(采用缓冲器)
- 输出电压范围:0.6V至5.5V
- 支持各种陶瓷输出电容器
- 基准电压:600mV,±0.5%容限(在–40°C至85°C的环境温度范围内)
- D-CAP3™控制模式,此模式具有快速负载阶跃响应
- Hiccup过流保护
- 自动跳跃Eco-Mode™,可实现轻负载条件下的高效率
- 针对严格输出纹波和电压容差要求的强制持续传导模式 (FCCM)
- 预充电启动功能
- 八个可在200kHz到1MHz之间选择的频率设置
- 4.5mm x 3.5mm、28引脚VQFN-CLIP封装
应用
- 服务器、云计算、存储
- 电信和网络,负载点 (POL)
- IPC、工厂自动化、PLC、测试测量
- 高性能DSP、FPGA
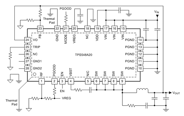
Simplified Application Circuit
Additional Resources
Application Notes
- SMT Guidelines for Stacked Inductor on Voltage Regulator IC
- Accuracy-Enhanced Ramp-Generation Design for D-CAP3 Modulation
- Unified Ground Connection Recommendation on TPS53K - Integrated FET-Converter Devices
- Point-of-Load Solutions for Data Center Applications Implementing VR13.HC VCCIN Specification
- DC/DC Converter Solutions for Hardware Accelerators in Data Center Applications
发布日期: 2016-01-12
| 更新日期: 2022-03-11

