Texas Instruments TPS549D22 SWIFT™同步降压转换器
Texas Instruments TPS549D22 SWIFT™同步降压转换器是具有自适应接通时间D-CAP3™模式控制的紧凑型单降压转换器。该转换器设计用于高精度、高效、瞬态响应快、易于使用、外部组件数量较少和有空间意识的电源系统。TPS549D22具有全差分感应IT集成FET,高侧导通电阻为2.9mΩ,低侧导通电阻为1.2mΩ。该器件还具有0.5%的精度,0.9V的基准电压和-40°C至125°C的环境温度范围。具有竞争力的特点包括:所用外部组件极少、精确的负载稳压和线路稳压、自动跳跃模式或FCCM模式操作以及内部软启动控制。特性
- 输入电压范围 (PVIN):1.5V至16V
- 输入偏置电压 (VDD) 范围:4.5V至22V
- 输出电压范围:0.6V至5.5V
- 集成2.9mΩ和1.2mΩ功率MOSFET,40A持续输出电流
- 参考电压:0.6V至1.2V(阶跃50mV),使用VSEL引脚
- 公差范围:±0.5%,0.9VREF结温范围:–40°C至+125°C
- 真正的差动遥感放大器
- D-CAP3TM控制环路
- 自适应导通时间控制,采用8个PMBusTM频率:315kHz、425kHz、550kHz、650kHz、825kHz、900kHz、1.025MHz、1.125MHz
- 温度补偿和可编程电流限值,使用RILIM和OC钳位
- 选择断续或锁存OVP或UVP
- VDD UVLO精密EN外部调整
- 预偏置启动支持
- 可选择Eco-modeTM和FCCM
- 全套故障保护和PGOOD
- 标准VOUT_COMMAND和VOUT_MARGIN(高和低)
- 引脚搭接和即时编程
- 故障报告和警告
- 选定命令NVM备份
- 1MHz PMBus,配有PEC和SMB_ALRT#
应用
- 企业级存储、SSD、NAS
- 无限和有线通信基础设施
- 工业计算机、自动化、ATE、 PLC、视频监控
- 企业级服务器、交换机、路由器
- ASIC、SoC、FPGA、DSP内核和I/O电源轨
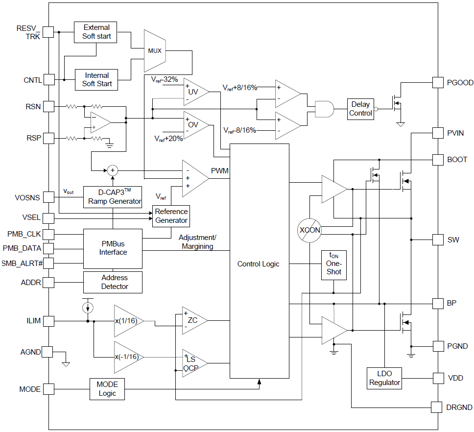
功能框图
发布日期: 2017-01-24
| 更新日期: 2022-03-18
