专用EN引脚可用于控制稳压器开/关和调节输入欠压锁定。输出电压启动斜坡由SS/TRK引脚控制,允许以独立电源或跟踪情况方式运行。TPS54A24 SWIFT™降压转换器可采用标准4mm x 4mm WQFN封装。
特性
- 标准4mm × 4mm WQFN封装
- 工作结温范围:−40°C至+150°C
- 固定开关频率:200kHz至1.6MHz
- 峰值电流模式控制
- 与外部时钟同步
- 整个温度范围内的电压基准:0.6V ±0.85%
- 输出电压范围:0.6V至12V
- 安全启动,进入预偏置输出电压
- 断续模式限流
- 可调节软启动和电源时序
- 可调输入欠压闭锁
- 针对欠压和过压的电源良好输出监控
- 关断电流:3µA
- 输出过压保护
- 非锁存热关断保护
- 使用TPS54A24并借助WEBENCH®电源设计器创建定制设计方案
应用
- 有线网络(开关)
- 无线基础设施
- 测试与测量
- 医疗成像设备
- FPGA、SoC、DSP和处理器用电源
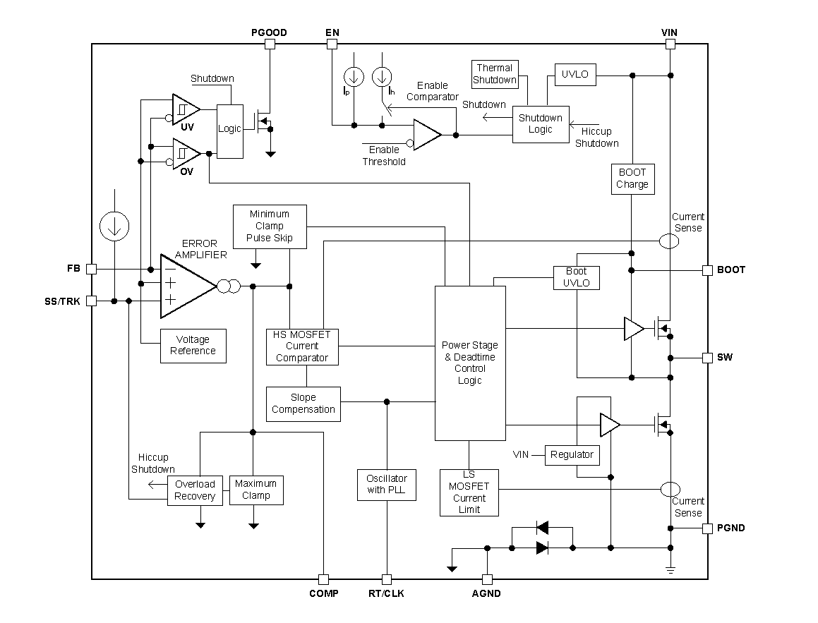
框图
发布日期: 2019-08-01
| 更新日期: 2023-10-16

