Texas Instruments TPS560430/TPS560430-Q1降压稳压器
Texas Instruments TPS560430/TPS560430-Q1 SWITCHER®降压稳压器是一款易于使用的同步降压直流-直流转换器,能够驱动最高达600mA的负载。该器件的输入范围宽(4V至36V),适用于从工业到汽车的各种应用,用于对非稳压源进行功率调节。TPS560430/TPS560430-Q1的工作频率有1.1MHz和2.1MHz两个版本,分别对应高效率和小尺寸。TPS560430/TPS560430-Q1还有FPWM(强制PWM) 版本,实现在整个负载范围内的恒定频率和小输出电压纹波。内部配有软启动和补偿电路,使设备需要的外部元件降到最低程度。TPS560430-Q1器件符合汽车应用类AEC-Q100认证。The TPS560430/TPS560430-Q1 has 1.1MHz and 2.1MHz operating frequency versions for either high efficiency or small solution size. The TPS560430/TPS560430-Q1 also has FPWM (forced PWM) version to achieve constant frequency and small output voltage ripple over the entire load range. Soft-start and compensation circuits are implemented internally, which allows the device to be used with minimum external components. The Texas Instruments TPS560430-Q1 devices are AEC-Q100 qualified for automotive applications.
特性
- 配置用于严苛的工业应用\
- 输入电压范围:4V至36V
- 连续输出电流:600mA
- 最小接通时间:60ns
- 最大工作周期:98%
- 支持预偏置输出启动
- 具有断续模式的短路保护
- -40°C至125°C温度范围内电压基准容差±1.5%
- 精密使能
- 小型解决方案,易于使用
- 集成式同步整流
- 内部补偿以方便使用
- SOT-23-6封装
- 引脚兼容封装中各种选项
- 1.1MHz和2.1MHz频率选项
- PFM或强制PWM (FPWM) 选项
- 固定3.3V输出选项
应用
- 电网基础设施:先进的计量基础设施
- 电机驱动:AC逆变器、VF驱动器、伺服器、现场执行器
- 工厂和楼宇自动化:PLC、工业PC、电梯控制、HVAC控制
- 汽车售后市场:摄像头
- 通用宽VIN电源
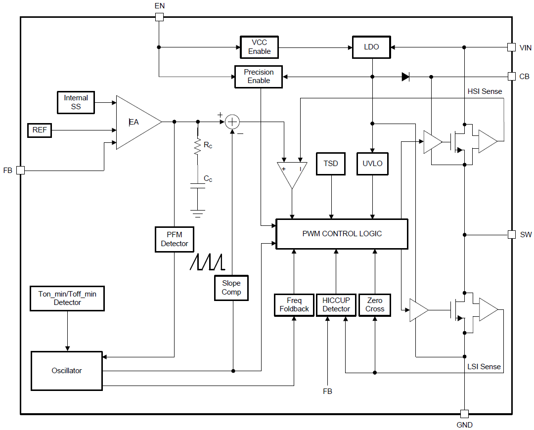
功能框图
发布日期: 2018-06-06
| 更新日期: 2024-11-05
