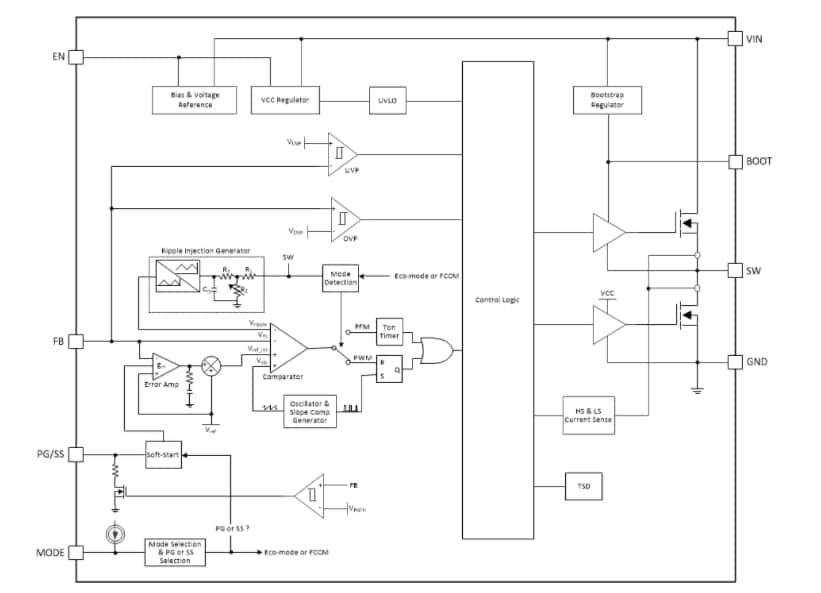
TI TPS563211 3A同步降压转换器采用先进的仿真电流模式 (AECM) 控制拓扑,可实现具有真正固定开关频率的快速瞬态响应。TPS563211有助于内部智能环路带宽控制,在宽输出电压范围内提供快速瞬态响应,无需外部补偿。
高侧峰值电流的逐周期电流限制可在过载情况下保护器件。低侧谷电流限制可进一步增强该特性,以防止电流失控。断续模式在过压保护 (OVP)、欠压保护 (UVP)、 UVLO保护和热关断下触发。
TPS563211 3A同步降压转换器采用1.6mm × 2.1mm SOT583封装。
特性
- 输入电压:4.2V至18V
- 输出电压:0.6V至7V
- 高达3A连续输出电流
- 最短接通时间:45ns
- 最大占空比:98%
- 高效率
- 集成66mΩ和33mΩ MOSFET
- 静态电流:120µA(典型值)
- 高度灵活且易于使用
- 有Eco-mode运行模式或FCCM运行模式可供选择
- 可选电源良好指示器或外部软启动
- 精密使能输入
- 高精确性
- 参考电压精度: ±1% (25°C)
- 开关频率容差:±8.5%
- 小尺寸解决方案
- 内部补偿,便于使用
- SOT583封装
- 最少外部元件
- 逐周期限流,用于高侧和低侧MOSFET
- 非锁存OVP、UVP、UVLO和TSD保护
- 使用TPS562211并借助WEBENCH®Power Designer创建定制设计方案
应用
- 机顶盒 (STB)、数字电视
- 智能扬声器
- 有线网络、宽带
- 监控
功能框图
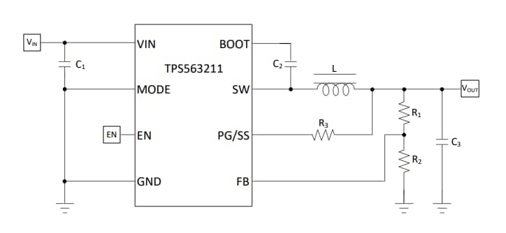
简化示意图
发布日期: 2021-09-27
| 更新日期: 2022-03-11

