该器件采用固定频率峰值电流控制模式,可实现出色的线路、负载调节和快速瞬态响应。内部环路补偿经过优化,具有宽工作频率和输出电压范围,无需使用外部补偿元件。脉冲频率调制 (PFM) 模式使轻载效率最大化。低静态电流特性可在低功耗运行时延长电池寿命。该器件具有频率扩频特性,可降低EMI噪声。
Texas Instruments TPS563300提供全面保护,包括OTP、OVP、UVLO、逐周期OC限制和断续模式UVP。该器件采用小型SOT-583 (1.6mm × 2.1mm) 封装,引脚间距为0.5mm。它具有经过优化的引脚分配,便于PCB布局,并提高EMI性能。
特性
- 解决方案尺寸小巧且易于使用
- 具有内部补偿的峰值电流模式
- 可实现高轻载效率的脉冲频率调制 (PFM)
- 固定开关频率:500kHz
- 低电磁干扰,具有扩展频谱性能
- 支持带预偏置输出的启动
- 用于高侧和低侧MOSFET的逐周期过流限制
- 非闭锁OTP、OCP、OVP、UVP和UVLO保护
- 1.6mm × 2.1mm SOT-583封装
- 配置用于各种应用
- 输入电压范围:3.8V至28V
- 输出电压范围:0.8V至22V
- 3A连续输出电流
- 基准电压:0.8V ±1.5% (25°C)
- 工作结温范围:-40°C至150°C
- 集成式76mΩ和32mΩ MOSFET
- 低静态电流:20µA(典型值)
- 最大占空比:98%
- 精密EN阈值
应用
- 楼宇自动化、电器、工业PC
- 多功能打印机、企业投影仪
- 便携式电子产品、联网外设
- 智能扬声器、监视器
- 分布式电源系统,具有5V、12V、19V和24V输入
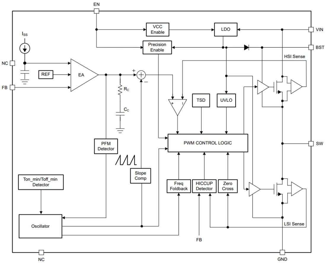
功能框图
发布日期: 2022-09-08
| 更新日期: 2022-12-13

