TPS56837H转换器在节能模式下工作,可在轻负载时实现高效率,具有500kHz固定开关频率,且可通过MODE引脚配置提供三种可选的电流限值。TPS56837H可通过SS引脚电容器配置调节软启动时间。TPS56837H提供全面的非锁存过压、欠压、过流、过热和欠压锁定保护,且具有电源良好指示器和输出放电功能。TPS56837H采用10引脚、3mm×3mm、HotRod QFN封装,结温范围为-40°C至150°C。
特性
- 支持USB供电 (USB PD)
- 输入电压范围:4.5 V至28 V
- 输出电压范围:4 V至22 V
- 支持8 A连续输出电流
- 通过模式选择为低侧MOSFET提供三种可调节的逐周期过流限值
- 在整个负载范围内具有高效率
- 集成20.4 mΩ和9.5 mΩ MOSFET
- 低静态电流:45 μA
- 固定开关频率:500kHz
- VIN =24V、VOUT =20V、IOUT =3A时,效率为98.7%
- Eco-mode可实现高的轻负载效率
应用
- 带PD的USB电源
- 工控机、EPOS、工厂自动化和控制
- 多功能打印机、视频会议系统
- 显示器、电视、扬声器、个人电脑和笔记本电脑、便携式电子产品
- 12 V、19 V、24 V电源总线供电的通用用途
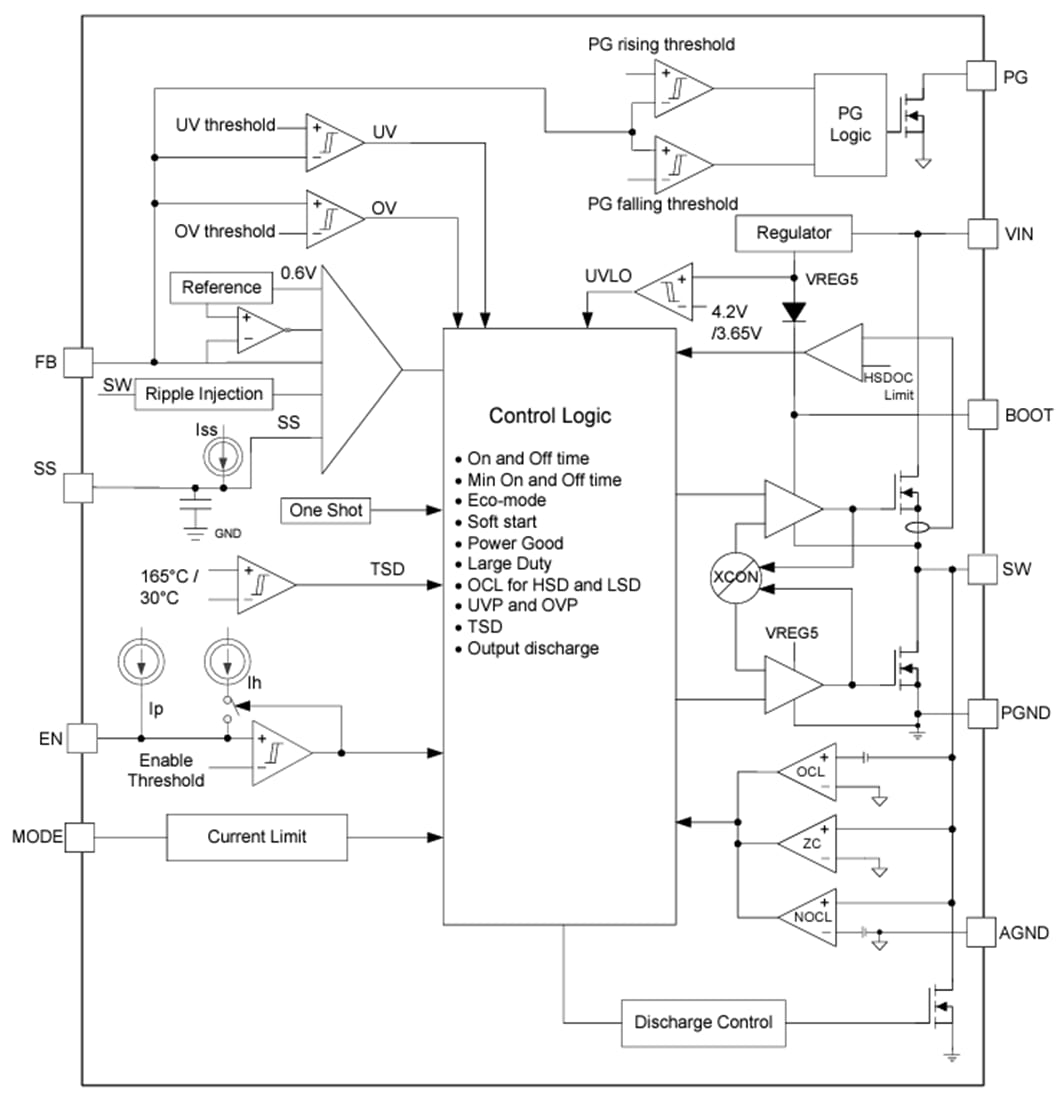
功能框图
发布日期: 2024-03-27
| 更新日期: 2024-07-24

