TPS61378-Q1采用峰值电流模式控制,开关频率可在200kHz至2.2MHz之间编程。该设备在中重负载条件下以固定频率PWM运行。通过配置MODE引脚,在轻负载时有两种可选模式:自动PFM模式和强制PWM模式,以平衡轻负载时的效率和抗噪能力。开关频率可与外部时钟同步。TPS61378-Q1使用内部时钟的扩频,在FPWM模式下更加友好地实现EMI。另外,还可通过内部软启动时间限制浪涌电流。
Texas Instruments TPS61378-Q1具有各种固定输出电压版本,可节省外部反馈电阻器。它支持外部环路补偿,可在更宽的VOUT/VIN 范围内优化稳定性和瞬态响应。它还集成了强大的保护功能,包括输出短路保护、输出过压保护和热关断保护。TPS61378-Q1采用具有可湿性侧翼的3mm x 3mm 16引脚QFN封装。
特性
- 符合汽车应用类AEC-Q100标准
- -40°C至125°C TA 设备温度等级1
- 支持功能安全
- 可提供文档,协助功能安全系统设计
- 灵活的输入和输出工作范围
- 输入电压范围:2.3V至14V
- 可编程输出电压范围:4.0V至18.5V
- 固定输出选项:5V、5.25V、5.5V
- 可编程峰值电流限制:1A至4.8A
- 避免AM频段干扰和串扰
- 动态可编程开关频率:200kHz至2.2MHz
- 扩频调频
- 可选时钟同步
- 最大限度地缩小解决方案大小,用于空间受限应用
- RDS(ON) 50mΩ/50mΩ/100mΩ(LS/HS/ISO)集成FET
- 支持高达2.2 MHz,具有小型L-C
- 最大限度地降低轻负载和空闲状态电流消耗
- 25µA输入VIN 引脚的静态电流
- 0.5µA输入VIN 引脚的关断电流
- 可选的自动PFM和强制PWM模式
- 在关断或故障情况时负载真正断开连接
- 集成保护功能
- 支持VIN 接近VOUT 操作
- 输入欠压锁定和输出过压保护
- 断续输出短路保护
- 电源良好指示器
- 165°C时热关断保护
- 效率高于90%(小于0.8A负载,3.3V至9V转换)
应用
- 高级驾驶辅助系统 (ADAS)
- 汽车信息娱乐和仪表板
- 车身电子产品和照明
- 紧急呼叫 (eCall)
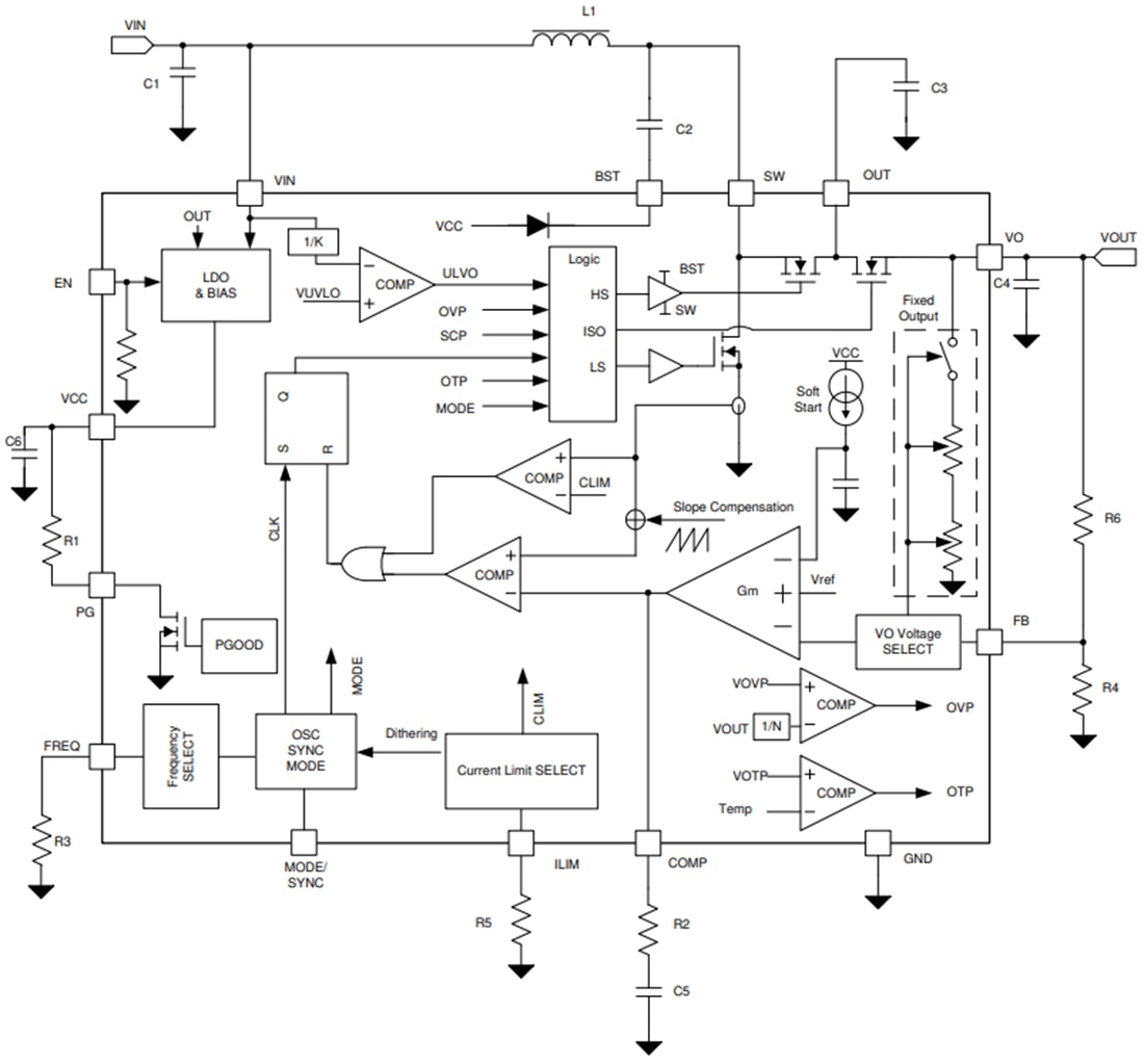
功能框图
发布日期: 2020-12-11
| 更新日期: 2025-02-27

