TPS61379-Q1采用峰值电流模式控制,开关频率可编程范围为200kHz至2.2MHz。该器件在中等至重型负载条件下可在固定频率PWM模式下工作。通过配置MODE引脚(自动PFM模式和强制PWM),轻负载时有两种可选模式,可平衡轻负载时的效率和噪声抑制。开关频率可与外部时钟同步。TPS61379-Q1使用内部时钟的扩频,在FPWM模式下更加友好地实现EMI。另外,还可通过内部软启动时间限制浪涌电流。
Texas Instruments TPS61379-Q1具有各种固定输出电压版本,可节省外部反馈电阻器。它支持外部环路补偿,从而在更宽VOUT/VIN范围内优化稳定性和瞬态响应。它还集成了强大的保护功能,包括输出短路保护、输出过压保护和热关断保护。TPS61379-Q1采用具有可湿性侧翼的3mm x 3mm 16引脚QFN封装。
特性
- 符合汽车应用类AEC-Q100标准
- 环境工作温度1级:–40°C至125°C
- 支持功能安全
- 可提供文档,协助功能安全系统设计
- 灵活的输入和输出工作范围
- 输入电压范围:2.3V至14V
- 可编程输出电压范围:4.0V至18.5V
- 固定输出选项:5V、5.25V、5.5V
- 固定2A峰值电流限制
- 避免AM频段干扰和串扰
- 动态可编程开关频率:200kHz至2.2MHz
- 扩频调频
- 可选时钟同步
- 最大限度地缩小解决方案大小,用于空间受限应用
- 集成LS/HS/ISO FET (RDS(ON) 50mΩ/50mΩ/100mΩ)
- 支持高达2.2MHz,具有小型L-C
- 最大限度地降低轻负载和空闲状态电流消耗
- VIN引脚静态电流:25µA
- VIN引脚关断电流:0.5µA
- 可选的自动PFM和强制PWM模式
- 在关断或故障情况时负载真正断开连接
- 集成保护特性
- 支持接近VOUT运行的VIN
- 输入欠压闭锁和输出过压保护
- 断续输出短路保护
- 电源良好指示器
- 165°C时热关断保护
- 效率高于90%(小于0.25A负载,3.3V至9V转换)
应用
- 高级驾驶辅助系统 (ADAS)
- 汽车信息娱乐和仪表板
- 车身电子产品和照明
- 紧急呼叫 (eCall)
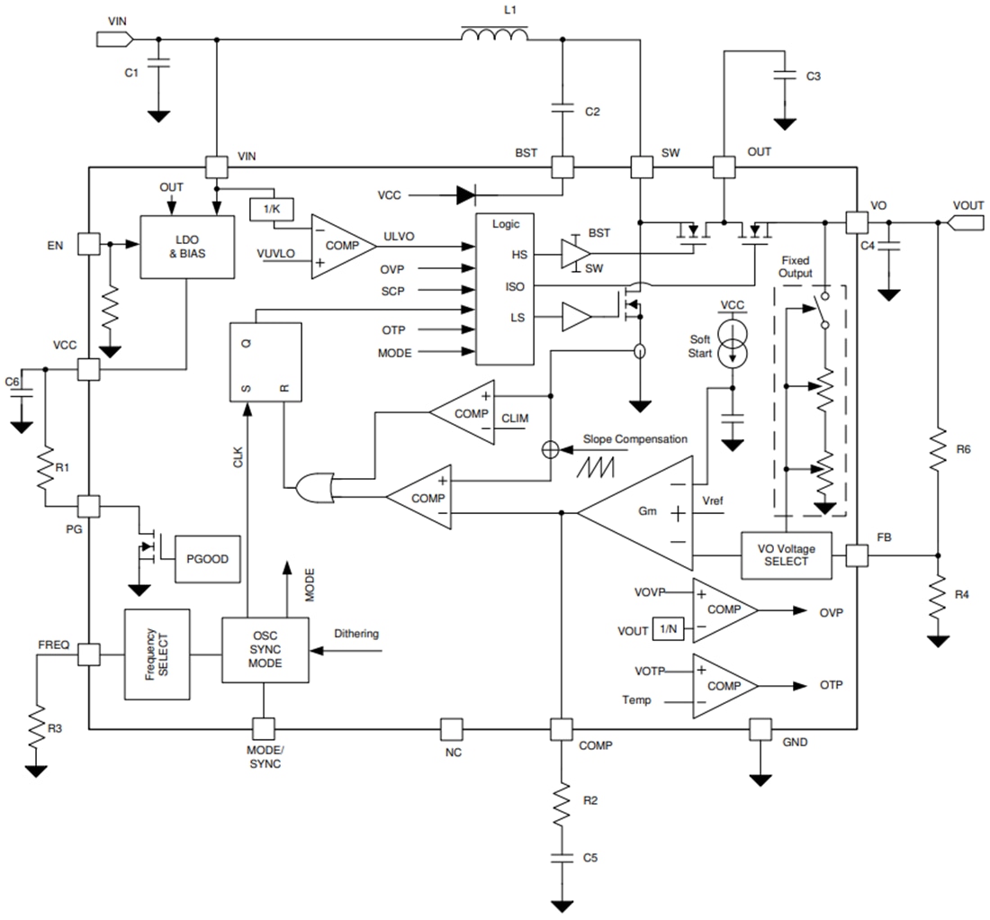
功能框图
发布日期: 2021-05-19
| 更新日期: 2022-03-11

