这些转换器在2.25MHz固定开关频率下工作,可在轻负载电流时进入省电模式,以保持整个负载电流范围内的高效率。对于低噪声应用,可通过将模式/数据引脚拉至高电平使器件强制进入固定频率PWM模式。关断模式下的电流消耗减少至 1.2μA(典型值)。这些器件采用小型电感器和电容器,以实现小解决方案尺寸。
特性
- 符合汽车应用标准
- 具有符合AEC-Q100标准的下列特性:
- 器件温度1级:–40°C至+125°C的工作结温范围
- 器件人体模型 (HBM) 静电放电 (ESD) 分类等级2
- 器件充电器件模型 (CDM) ESD分类等级C4B
- 效率高达95%
- VIN范围:2.5V至6V
- 2.25MHz固定频率工作
- 输出电流TPS62406-Q1 1000mA/400mA
- 输出电流TPS62407-Q1 400mA/600mA
- 固定输出电压
- EasyScale™可选单引脚串行接口
- 轻负载电流下的省电模式
- 180°异相工作
- 输出电压精度 ±1% (PWM模式)
- 两种转换器均采用32µA静态电流(典型值)
- 100%占空比,可实现最低压差
应用
- 汽车负载点稳压器
- ADAS摄像头模块
- 镜更换 (CMS)
- 信息娱乐与仪表板
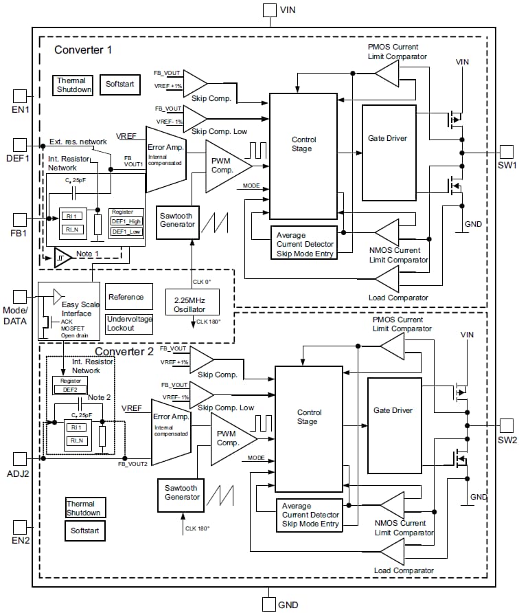
功能框图
发布日期: 2018-06-15
| 更新日期: 2023-02-22

