TPS6282x可在超轻负载状态下自动进入节能模式以保持高效率,延长系统电池使用寿命。该器件有一个电源良好信号和一个内部软启动电路。它能够在100%模式下工作。对于故障保护,它具有断续短路保护以及热关断功能。该器件采用6引脚1.5x1.5mm或8引脚2.0x1.5mm QFN封装,提供最高功率密度解决方案。
特性
- DCS-Control™拓扑
- 输出电流高达4A
- 1%反馈电压精度(在整个温度范围)
- 效率高达97%
- 26mΩ和25mΩ内部功率MOSFET
- 输入电压范围:2.4V至5.5V
- 工作静态电流:4µA
- 开关频率:2.2MHz
- 可调输出电压范围:0.6V至30V
- 使能 (EN) 和电源良好 (PG)
- 内部软启动电路
- 无缝切换至省电模式
- 100%占空比模式
- 有源输出放电
- 过热保护
- 断续模式短路保护
- 欠压闭锁(TPS62821、TPS62822、TPS62823)
- 逐周期电流限制(TPS62821、TPS62822、TPS62823)
应用
- 便携式/电池供电设备内POL电源
- 工厂和楼宇自动化
- 移动计算、网卡
- 数据终端、销售点
- 服务器、投影仪、打印机
- 固态硬盘
- 视频监控
- 工业电脑
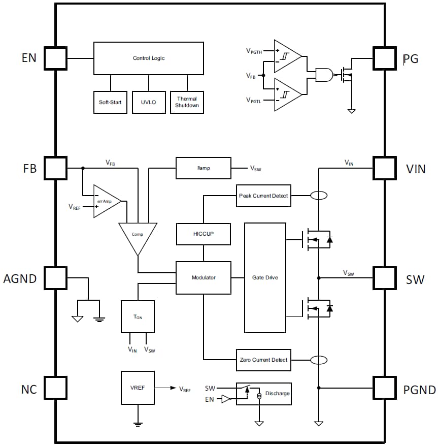
功能框图
发布日期: 2018-06-05
| 更新日期: 2023-02-10

