Texas Instruments TPS62843采用1.5MHz的典型开关频率,可在低至100µA负载电流及以下的轻负载条件下提供高效率。通过将一个电阻器连接到VSET引脚,可选择十八种预定义的输出电压,因此只需很少的无源器件即可将该系列器件用于各种应用。
特性
- 输入电压范围:1.8V至5.5V
- 输出电压范围:1.8V至5.5V
- 静态电流(典型值):275nA
- 600mA输出电流
- 输出电压精度:1%
- 关断电流:4nA(典型值)
- 输出放电
- 通过单个电阻器实现VSET引脚可选输出电压
- TPS628436:0.4V至0.8V
- TPS628437:0.8V至1.8V
- TPS628438:1.8V至3.6V
- 针对小型无源器件进行了优化
- 1 µH电感器
- 低至4.7µF COUT
- 省电模式下输出电压纹波低
- 射频友好型快速瞬态DCS-Control
- 自动转换至无纹波100%模式
- 0603电感器和0402电容器支持尺寸
- 微型6引脚、0.35mm间距WCSP封装,0.84mm2
- 引脚对引脚兼容TPS6280x系列(1A)
应用
- 可穿戴电子产品
- 耳机、头戴式耳机和耳塞
- 手机
- 医用传感器贴片
- 助听器
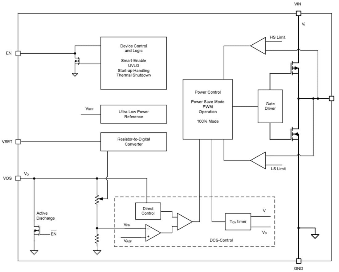
功能框图
发布日期: 2023-08-22
| 更新日期: 2024-04-24

