Texas Instruments TPS6287Bx系列实现了增强型DCS控制方案,支持具有固定频率运行的快速瞬变响应。该器件可在省电模式下运行以充分提高效率,也可以在强制PWM模式下运行以实现出色瞬态性能和超低输出电压纹波。可选的遥感功能可最大限度地提高负载点的电压调节,而且,该器件可在整个输出电压范围内实现±0.8%的DC电压精度。
兼容I2C的接口提供多种控制、警告和监控功能,如电压监控和温度相关警告。输出电压可快速调节,以使负载功耗适应性能需求。借助VSET1和VSET2引脚,默认启动电压可通过电阻器进行选择。
特性
- 2.7 V 到 6 V 的输入电压范围
- 引脚对引脚兼容器件系列,额定电流为10A、15A、20A、25A
- 0.4V至1.675V的三个可选输出电压范围
- 0.4 V 到 0.71875 V,1.25 mV 的级差
- 0.4 V 到 1.0375 V,2.5 mV 的级差
- 0.4 V 到 1.675 V,5 mV 的级差
- 输出电压精度:±0.8%
- 2.6 mΩ和1.5 mΩ内部功率MOSFET
- 可调软启动
- 外部补偿
- 可通过VSET1和VSET2引脚选择启动输出电压
- 0.4V至0.775V,步长为25mV
- 0.8V至1.55V,步长为50mV
- 强制PWM或省电模式运行
- 通过外部电阻器或I2C选择启动输出电压
- 兼容I2C的接口,总线频率高达3.4MHz
- 可选堆叠操作,用于增加输出电流 能力
- 差分遥感
- 热预警和热关断
- 输出放电
- 可选扩频时钟
- 具有窗口比较器的电源正常输出
应用
- Fpga、ASIC和数字内核供应
- 光纤网络
- 存储器
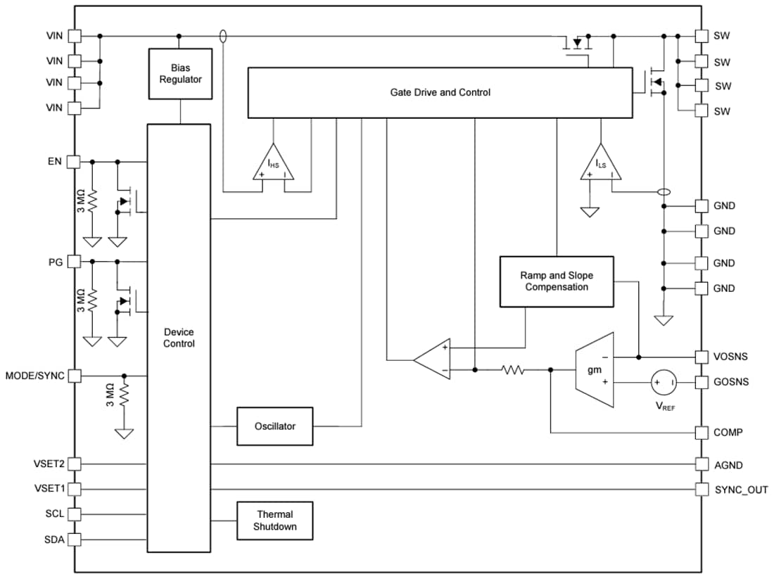
功能框图
发布日期: 2024-03-06
| 更新日期: 2024-12-05

