Texas Instruments TPS6287x/TPS6287x-Q1系列采用增强型DCS控制方案,支持固定频率运行的快速瞬变。这些器件在省电模式下工作,实现最大效率或强制PWM模式,实现出色的瞬态性能,并具有最低输出电压纹波。可选配遥感功能,以最大限度地在负载点进行电压调节。开关频率可借助FSEL引脚通过电阻器进行选择。开关频率可设置为1.5MHz、2.25MHz、2.5MHz或3MHz,也可与频率范围相同的外部时钟同步。
兼容I2C的接口提供多种控制、警告和监控功能。其中包括电压监控和温度相关警告。通过兼容I2C的接口可调节输出电压,使负载的功耗快速适应应用的性能需求。通过VSEL引脚,默认启动电压可实现电阻可选。
特性
- 支持功能安全
- 来辅助功能安全系统设计的文档
- 输入电压范围:2.7 V至6 V
- 6A、9A、12A、15A、20A、25A和30A系列引脚对引脚兼容器件
- 4个输出电压范围
- 0.4V至0.71875V(1.25mV步进)
- 0.4V至1.0375V(2.5mV步进)
- 0.4V至1.675V(5mV步进)
- 0.8V至3.35V(10mV步进)
- 输出电压精度:±1%
- 输出电压精度:±0.8% (TPS62877-Q1)
- 7 mΩ和4.5 mΩ内部功率MOSFET
- 2.6mΩ和1.5mΩ内部功率MOSFET (TPS62877-Q1)
- 可调外部补偿
- 电阻器可选启动输出电压
- 电阻器可选开关频率
- 节电或强制PWM操作
- 差分遥感
- 可选堆叠操作,提高输出电流能力
- 热警告和热关断
- 精密使能输入
- 有源输出放电
- 可选扩频时钟
- 电源正常输出,具有窗口比较器
- 采用2.55mm×3.55mm×1mm VQFN封装,带可润湿侧翼
- 结温TJ :-40°C至+150°C
应用
- 信息娱乐与仪表板
- ADAS
- FPGA、ASIC和数字内核电源
- DDR存储器电源
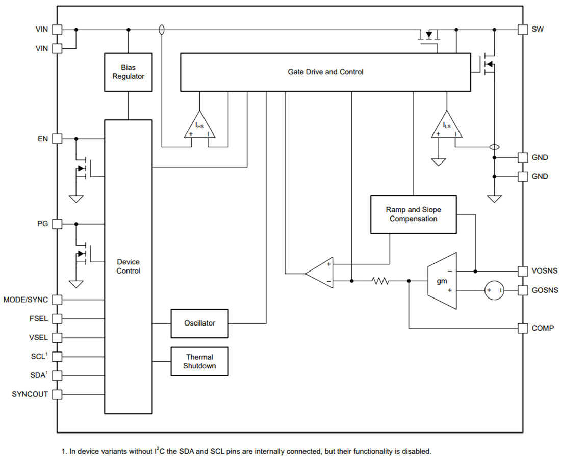
功能框图
发布日期: 2022-09-08
| 更新日期: 2025-05-06

