Texas Instruments TPS62893-Q1降压DC/DC转换器
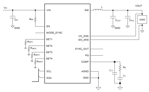
Texas Instruments TPS62893-Q1降压式DC/DC转换器是一款带I2C接口和差分遥感的同步转换器。此DC/DC转换器可以在堆叠模式下运行,以提供更高的输出电流或将耗散功率分散到多个设备上。TPS62893-Q1转换器采用固定频率DCS控制方案,具有可调切换频率和可调回路补偿功能。这款DC/DC转换器采用5.0mm x 6.0mm VQFN封装。TPS62893-Q1设备符合汽车应用类AEC-Q100标准。这款转换器非常适合用于ADAS传感器融合、环视ECU、可重新配置的混合仪表组、主机,以及远程信息处理控制单元特性
- 符合汽车应用类AEC-Q100标准:
- 器件温度等级1:-40°C至+125°C TA
- 结温范围:-40 °C至150 °C
- 提供功能安全文档,以帮助设计功能安全系统。
- 2.8 V 到 6 V 的输入电压范围
- 输出电压精度:±0.5%
- 输出电压范围:0.4 V至1 V
- 1.8 mΩ和0.7 mΩ内部功率MOSFET
- 外部补偿
- 可选堆叠操作,用于增加输出电流 能力
- 可调切换频率:833kHz至3MHz(产品预览)
- 外部同步
- 强制PWM或节能模式运行
- 优化负载瞬态操作
- 固定频率DCS控制
- 瞬态非同步模式
- 可调压降补偿
- 针对矮小的电感器进行了优化
- 兼容I2C的接口工作频率可达3.4MHz
- 差分遥感
- 过热预警和过热关断
- 输入和输出过电压保护
- 输出放电
- 可选扩频时钟
- 遥感测量VIN、温度、VOUT和IOUT
- 中断输出
- 电源良好输出配备可调阈值窗口比较器
- 采用5.0mm x 6.0mm VQFN封装
应用
- ADAS传感器融合
- 环视ECU
- 可重新配置的混合仪表组
- 主机和远程信息处理控制单元
原理图
发布日期: 2025-09-29
| 更新日期: 2026-02-03
