该器件采用定频峰值电流控制模式,可实现快速瞬态响应以及出色的线路和负载调节。内部环路补偿经过优化,无需使用外部补偿元件。脉冲频率调制 (PFM) 模式使轻载效率最大化。该ULQ(超低静态电流)特性非常有益于在低功耗运行时延长电池寿命。在200kHz至2.2MHz范围内,可以通过配置RT引脚来设置开关频率,使用户优化系统效率、解决方案尺寸和带宽。软启动时间可以通过在SS引脚处的外部电容来调节,这样可以在驱动大电容性负载时最小化浪涌电流。该器件还具有扩展频谱的性能,有助于降低EMI噪声。
Texas Instruments TPS62933/TPS62932采用小型SOT583 (1.6mm × 2.1mm) 封装,引脚间距为0.5mm,并且具有经过优化的引脚排列,便于PCB布局,促进良好的EMI性能。
特性
- 解决方案尺寸小巧且易于使用
- 具有内部补偿的峰值电流模式
- 可实现高轻载效率的脉冲频率调制 (PFM)
- 可调软启动时间
- 可选频率:200kHz至2.2MHz
- 低电磁干扰,具有扩展频谱性能
- 支持带预偏置输出的启动
- 用于高侧和低侧MOSFET的逐周期过流限制
- 非闭锁OTP、OCP、OVP、UVP和UVLO保护
- 1.6mm × 2.1mm SOT583
- 配置用于各种应用
- 输入电压范围:3.8V至30V
- 输出电压范围:0.8V至22V
- 超低静态电流:12µA(典型值)
- 集成式76mΩ和32mΩ MOSFET
- 0.8V ± 1%基准电压
- 最大占空比:98%
- 精密EN阈值
- 3A (TPS62933) 和2A (TPS62932) 持续输出电流
- 工作结温范围:–40°C至150°C
应用
- 楼宇自动化、电器、工业PC
- 多功能打印机、企业投影仪
- 便携式电子产品、联网外设
- 智能扬声器、监视器
- 具有5V、12V、19V、24V输入的分布式电源系统
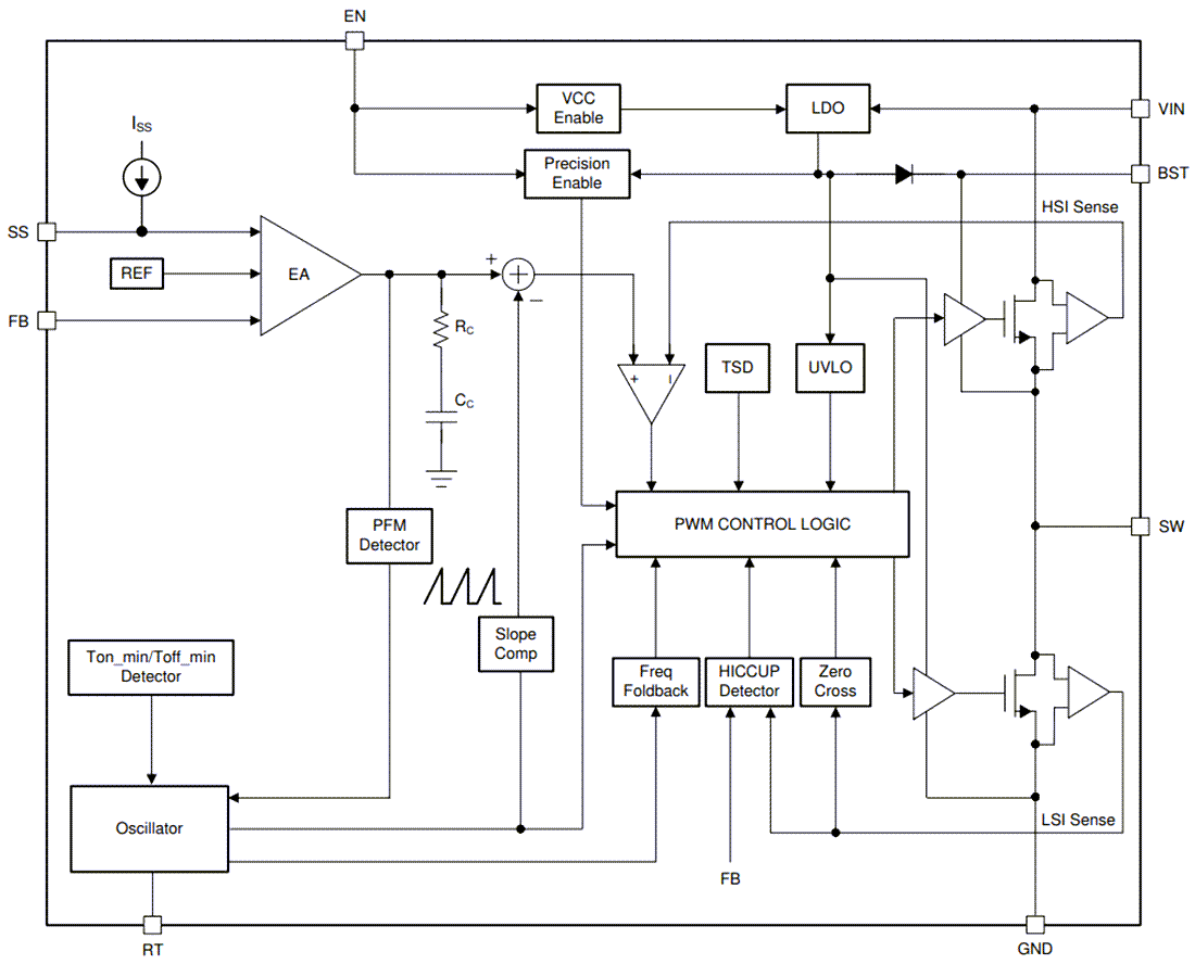
功能框图
发布日期: 2022-04-08
| 更新日期: 2023-10-23

