Texas Instruments TPS63900同步降压-升压转换器
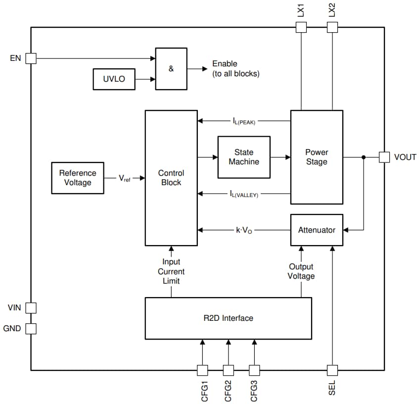
Texas Instruments TPS63900高效同步降压-升压转换器具有极低的静态电流(典型值为75nA)。该设备具有32个用户可编程输出电压设置,从1.8V到5V。动态电压缩放功能可让应用在运行期间在两种输出电压之间进行切换,如在待机运行期间使用较低的系统电源电压来节省电能。凭借其宽电源电压范围和可编程输入电流限制(1mA至100mA,无限制),Texas Instruments TPS63900非常适合与各种类型的一次电池(如3S碱性电池、1S锂锰电池2 或1S锂硅电池2)和二次电池配合使用。高输出电流能力支持常用的射频标准,如sub-1-GHz、BLE、LoRa、wM-Bus和NB-IoT。特性
- 输入电压范围:1.8 V至5.5 V
- 输出电压范围:1.8V至5V(100mV步进)
- 可通过外部电阻器编程
- SEL引脚,切换两个输出电压预设
- > 400mA输出电流,VI ≥ 2.0V,VO = 3.3V(典型值,1.45A峰值开关电流限值)
- 可堆叠并联多个设备,以获得更高的输出电流
- 单模运行
- 消除降压、降压-升压和升压操作之间的模式转换
- 低输出纹波
- 出色的瞬态性能
- 10µA负载电流时效率达90%
- 静态电流:75nA
- 关断电流:60nA
- 运行安全可靠
- 集成软启动
- 可编程输入电流限制,具有8个设置(1mA至100mA和无限)
- 输出短路和过热保护
- 微小的溶液体积21mm2
- 小型2.2µH电感器,单22µF输出电容器
- 10引脚、2.5mm×2.5mm、0.5mm间距WSON封装
应用
- 智能电表和传感器节点
- 电子智能锁
- 医疗传感器贴片和患者监护仪
- 可穿戴电子产品
- 资产跟踪
- 工业物联网(智能传感器)/NB-IoT
功能框图
发布日期: 2020-12-11
| 更新日期: 2024-10-15
